Запчасти Komatsu WA380-6 ГИДРАВЛ УПРАВЛЯЮЩ. КЛАПАН, УПРАВЛЯЮЩ. КЛАПАН КОМПОНЕНТЫ (/) (№99-) ГИДРАВЛ УПРАВЛЯЮЩ. КЛАПАН, ДЛЯ 3-Х СЕКЦИОНН. КЛАПАН ARRANGEMENT

Схема запчастей Komatsu WA380-6 - ГИДРАВЛ УПРАВЛЯЮЩ. КЛАПАН, УПРАВЛЯЮЩ. КЛАПАН КОМПОНЕНТЫ (/) (№99-) ГИДРАВЛ УПРАВЛЯЮЩ. КЛАПАН, ДЛЯ 3-Х СЕКЦИОНН. КЛАПАН ARRANGEMENT
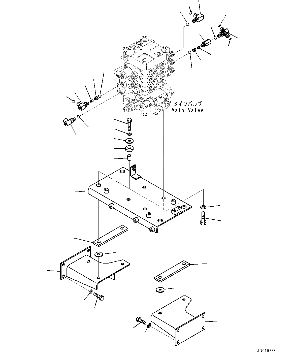
16
17
18
24
25
26
27
28
29
30
30
9
6
32
31
23
22
21
20
19
15
14
13
12
11
10
9
8
7
6
5
4
3
2
1
6
FIT
1:1
100%

Артикул

Название

Примечание

Количество

1

423-64-45120

Bracket

SN: 65949-UP

1шт.

2

01010-81635

Bolt

SN: 65949-UP

4шт.

3

01643-31645

Washer

SN: 65949-UP

4шт.

4

419-43-17930

Cushion

SN: 65949-UP

4шт.

5

417-54-13470

Spacer

SN: 65949-UP

4шт.

6

419-43-17920

Washer

SN: 65949-UP

8шт.

7

01010-81255

Bolt

SN: 65949-UP

4шт.

8

01643-31232

Washer

SN: 65949-UP

4шт.

9

424-64-23130

Cushion

SN: 65949-UP

2шт.

10

423-64-35530

Bracket,L.H.

SN: 65949-UP

1шт.

11

01010-D1225

Bolt

SN: 65949-UP

4шт.

12

01643-71232

Washer

SN: 65949-UP

4шт.

13

423-64-35520

Bracket,R.H.

SN: 65949-UP

1шт.

14

01010-D1225

Bolt

SN: 65949-UP

4шт.

15

01643-71232

Washer

SN: 65949-UP

4шт.

16

423-62-34290

Elbow

SN: 65949-UP

1шт.

17

07002-11423

O-ring

SN: 65949-UP

1шт.

18

02896-11009

O-ring

SN: 65949-UP

1шт.

18

423-62-35440

Valve Assembly

SN: 65949-UP

1шт.

19

418-62-34490

Elbow

SN: 65949-UP

1шт.

20

203-60-62320

Poppet

SN: 65949-UP

1шт.

21

423-62-35450

Plug

SN: 65949-UP

1шт.

22

07002-11423

O-ring

SN: 65949-UP

1шт.

23

02896-11009

O-ring

SN: 65949-UP

1шт.

24

423-62-43640

Valve Assembly

SN: 65949-UP

1шт.

25

21W-973-3420

Poppet

SN: 65949-UP

1шт.

26

21Y-62-11591

Plug

SN: 65949-UP

1шт.

27

07002-11423

O-ring

SN: 65949-UP

1шт.

28

423-62-34591

Tee

SN: 65949-UP

1шт.

29

07002-11423

O-ring

SN: 65949-UP

1шт.

30

02896-11009

O-ring

SN: 65949-UP

2шт.

31

22F-62-11990

Tee

SN: 65949-UP

1шт.

32

07002-11423

O-ring

SN: 65949-UP

1шт.

Выбрано товаров: 33