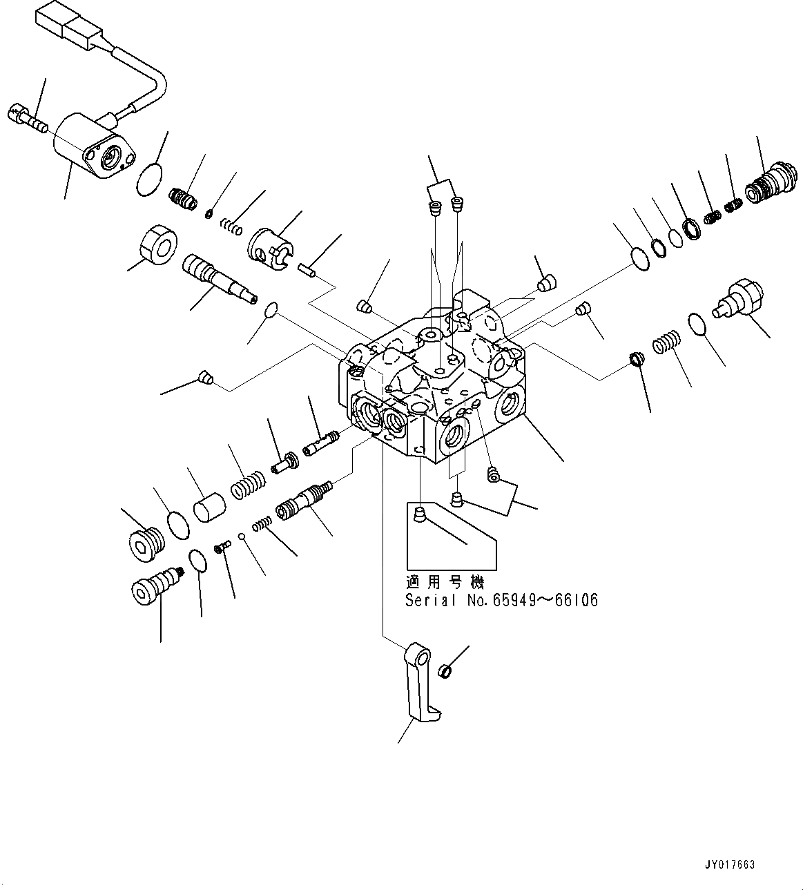
Запчасти Komatsu WA380-6 ГИДРАВЛ МАСЛ. НАСОС, ПОГРУЗ. НАСОС (/) (№99-) ГИДРАВЛ МАСЛ. НАСОС

Схема запчастей Komatsu WA380-6 - ГИДРАВЛ МАСЛ. НАСОС, ПОГРУЗ. НАСОС (/) (№99-) ГИДРАВЛ МАСЛ. НАСОС
39
38
37
36
35
34
33
32
30
29
27
21
20
19
18
17
16
15
14
13
12
11
3
1
2
2
2
2
28
2
10
9
8
7
6
5
4
28
26
25
24
23
22
31
FIT
1:1
100%

Артикул

Название

Примечание

Количество

|$0

708-1W-00741

Pump Assembly

SN: 66395-UP

1шт.

|$1

708-1W-00740

Pump Assembly

SN: 66107-66394

1шт.

|$2

708-1W-03770

Valve Assembly

SN: 66107-UP

1шт.

|$3

708-1W-03730

Valve Assembly

SN: 65949-66106

1шт.

|$4

Body Assembly

SN: 65949-UP

1шт.

1

Body

SN: 65949-UP

1шт.

2

Plug

SN: 65949-UP

12шт.

3

Plug

SN: 65949-UP

2шт.

3

Sleeve Subassembly

SN: 65949-UP

1шт.

4

Sleeve

SN: 65949-UP

1шт.

5

Piston

SN: 65949-UP

1шт.

6

Piston

SN: 65949-UP

1шт.

7

Seal

SN: 65949-UP

1шт.

8

O-ring

SN: 65949-UP

1шт.

9

Ring, Back-up

SN: 65949-UP

1шт.

10

07002-11623

O-ring

SN: 65949-UP

1шт.

11

Spool

SN: 65949-UP

1шт.

12

Seat

SN: 65949-UP

1шт.

13

Spring

SN: 66107-UP

1шт.

13

Spring

SN: 65949-66106

1шт.

14

Retainer

SN: 65949-UP

1шт.

15

O-ring

SN: 65949-UP

1шт.

16

Plug

SN: 65949-UP

1шт.

17

Nut

SN: 65949-UP

1шт.

18

Lever

SN: 65949-UP

1шт.

19

Spacer

SN: 65949-UP

1шт.

20

07002-11623

O-ring

SN: 65949-UP

1шт.

21

723-56-31630

Plug

SN: 65949-UP

1шт.

22

Plug

SN: 65949-UP

1шт.

22

Spool Assembly

SN: 65949-UP

1шт.

23

Spool

SN: 65949-UP

1шт.

24

Plug

SN: 65949-UP

1шт.

25

Spring

SN: 65949-UP

1шт.

26

Ball

SN: 65949-UP

1шт.

27

Plug

SN: 65949-UP

1шт.

|$35

01583-11207

Nut

SN: 65949-UP

1шт.

28

07002-11223

O-ring

SN: 65949-UP

2шт.

29

Spring

SN: 65949-UP

1шт.

30

Seat

SN: 65949-UP

1шт.

31

708-1W-45230

Orifice

SN: 65949-66106

1шт.

32

702-21-57410

Solenoid

SN: 65949-UP

1шт.

33

10S-914-4290

O-ring

SN: 65949-UP

1шт.

34

Sleeve

SN: 65949-UP

1шт.

35

Spool

SN: 65949-UP

1шт.

36

Spring

SN: 65949-UP

1шт.

37

Shim, T=1.0mm

SN: 65949-UP

1шт.

38

01252-60612

Bolt, Hexagon Socket Head

SN: 65949-UP

2шт.

39

Pin

SN: 65949-UP

1шт.

Выбрано товаров: 48