Запчасти Komatsu WA380-6 СОЧЛ. СОЕД. БЛОКИР. BAR И РАМА COVER, СТУПЕНИ (№99-) СОЧЛ. СОЕД. БЛОКИР. BAR И РАМА COVER, С 3-Х СЕКЦ. КОНТР. КЛАПАНОМ, ДОПОЛН. ПРОТИВОВЕС ДЛЯ ЗАХВАТА БРЕВЕН И ВИЛЫ, ЯЩИК Д/ИНСТРУМЕНТА

Схема запчастей Komatsu WA380-6 - СОЧЛ. СОЕД. БЛОКИР. BAR И РАМА COVER, СТУПЕНИ (№99-) СОЧЛ. СОЕД. БЛОКИР. BAR И РАМА COVER, С 3-Х СЕКЦ. КОНТР. КЛАПАНОМ, ДОПОЛН. ПРОТИВОВЕС ДЛЯ ЗАХВАТА БРЕВЕН И ВИЛЫ, ЯЩИК Д/ИНСТРУМЕНТА
3
4
3
4
1
1
6
5
2
FIT
1:1
100%

Артикул

Название

Примечание

Количество

1

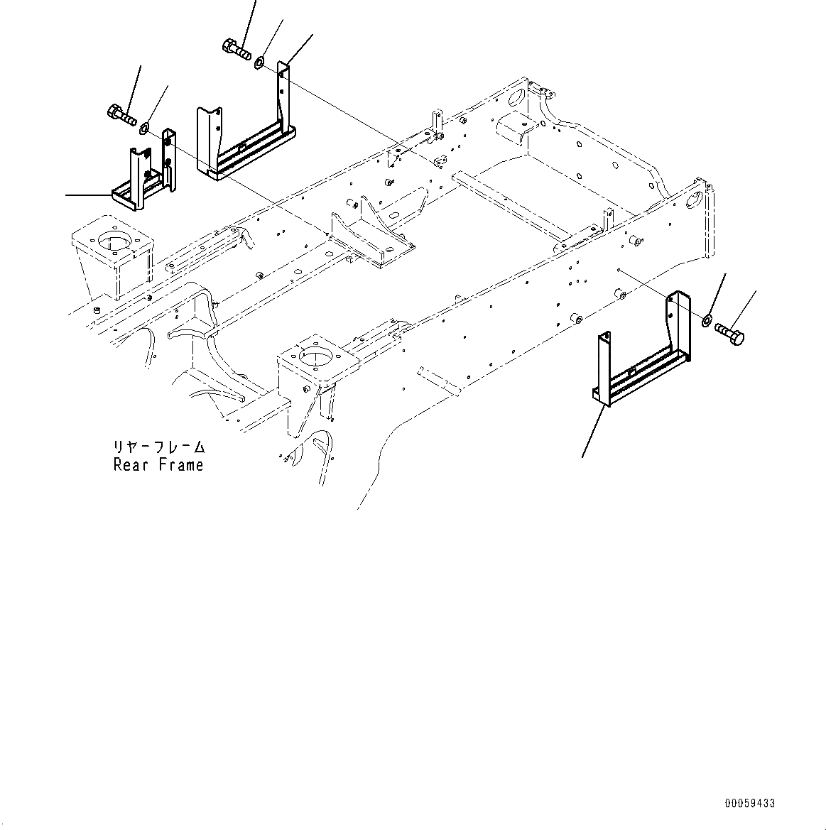
423-46-42240

Step

SN: 65949-UP

2шт.

2

423-46-44210

Step

SN: 65949-UP

1шт.

3

01010-D1225

Bolt

SN: 65949-UP

8шт.

4

01643-71232

Washer

SN: 65949-UP

8шт.

5

01010-D1230

Bolt

SN: 65949-UP

4шт.

6

01643-71232

Washer

SN: 65949-UP

4шт.

Выбрано товаров: 6