Запчасти Komatsu WA380-6 СОЧЛ. СОЕД. БЛОКИР. BAR И РАМА COVER, КРЫШКА (№99-) СОЧЛ. СОЕД. БЛОКИР. BAR И РАМА COVER, С 2-Х СЕКЦИОНН. УПРАВЛЯЮЩ. КЛАПАН, ЯЩИК Д/ИНСТРУМЕНТА, ДЛЯ СТРАН ЕС НОВ. NOISE ARRANGEMENT

Схема запчастей Komatsu WA380-6 - СОЧЛ. СОЕД. БЛОКИР. BAR И РАМА COVER, КРЫШКА (№99-) СОЧЛ. СОЕД. БЛОКИР. BAR И РАМА COVER, С 2-Х СЕКЦИОНН. УПРАВЛЯЮЩ. КЛАПАН, ЯЩИК Д/ИНСТРУМЕНТА, ДЛЯ СТРАН ЕС НОВ. NOISE ARRANGEMENT
1
2
2
1
4
3
2
1
5
FIT
1:1
100%

Артикул

Название

Примечание

Количество

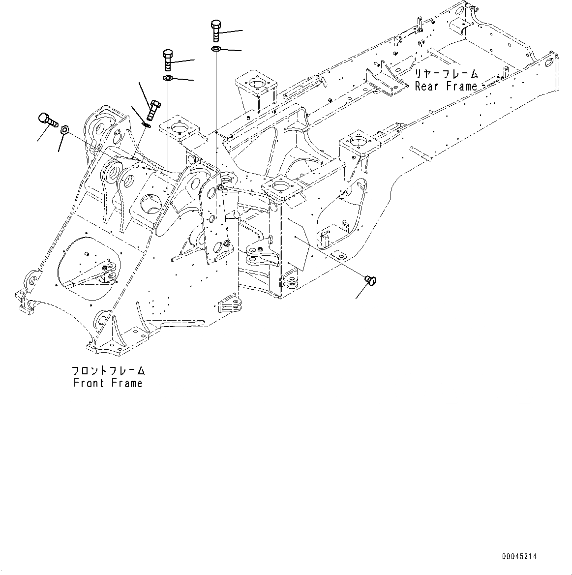
1

01010-D1016

Bolt

SN: 65949-UP

11шт.

2

01643-71032

Washer

SN: 65949-UP

11шт.

3

01010-D1220

Bolt

SN: 65949-UP

1шт.

4

01643-71232

Washer

SN: 65949-UP

1шт.

5

22L-46-12150

Cap

SN: 65949-UP

3шт.

Выбрано товаров: 5