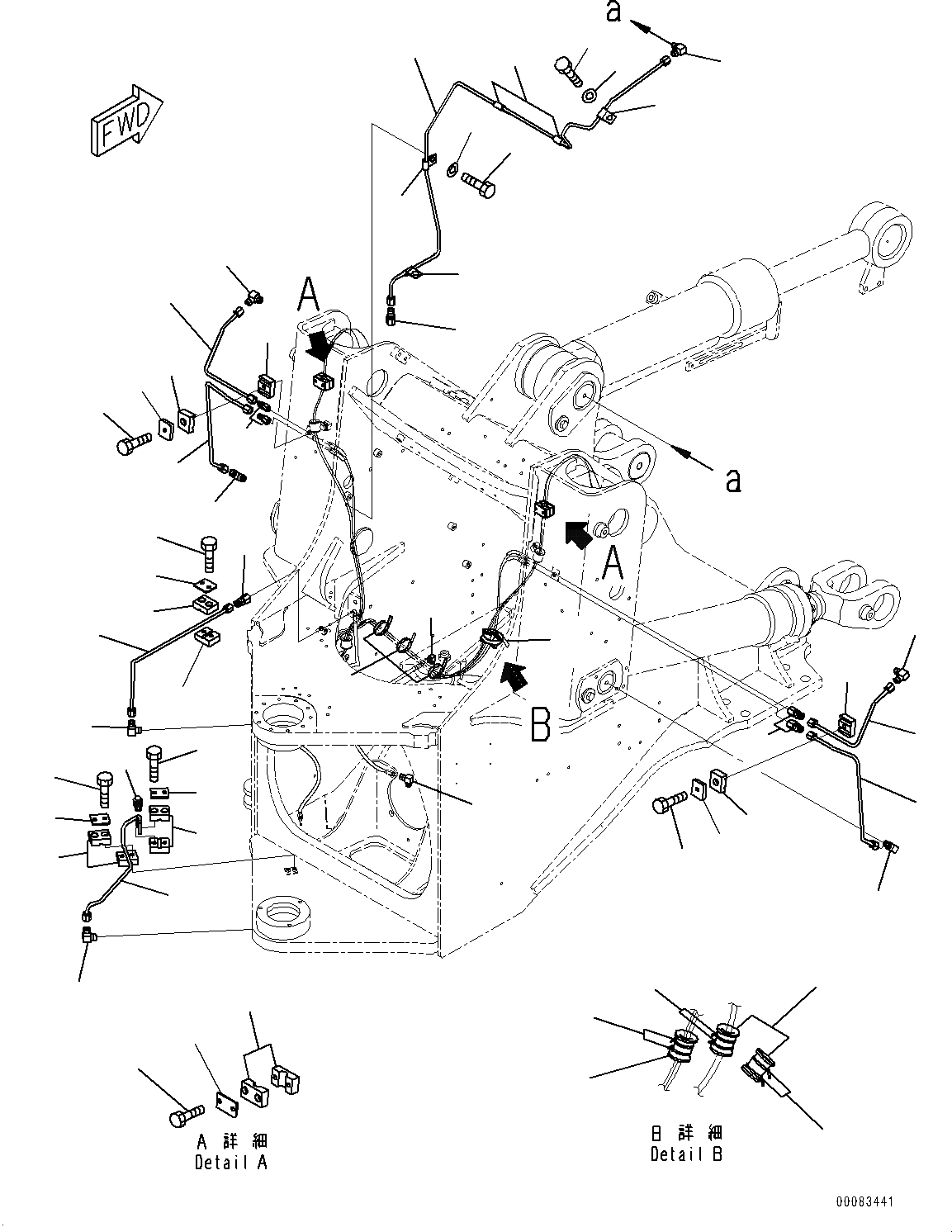
Запчасти Komatsu WA380-6 УДАЛЕНН. СИСТ. СМАЗКИ ТРУБКА, HINGE ПАЛЕЦ, ЦИЛИНДР КОВША, РУКОЯТЬ И ГИДРОЦИЛИНДР ПОДЪЕМА ТРУБЫ (/) (№99-) УДАЛЕНН. СИСТ. СМАЗКИ ТРУБКА, С ВЫСОК. ПОДЪЕМ РУКОЯТЬ, АВТОМАТИЧ.-СИСТ. СМАЗКИ СИСТЕМА

Схема запчастей Komatsu WA380-6 - УДАЛЕНН. СИСТ. СМАЗКИ ТРУБКА, HINGE ПАЛЕЦ, ЦИЛИНДР КОВША, РУКОЯТЬ И ГИДРОЦИЛИНДР ПОДЪЕМА ТРУБЫ (/) (№99-) УДАЛЕНН. СИСТ. СМАЗКИ ТРУБКА, С ВЫСОК. ПОДЪЕМ РУКОЯТЬ, АВТОМАТИЧ.-СИСТ. СМАЗКИ СИСТЕМА
18
15
16
14
17
16
15
14
13
15
14
15
16
17
18
10
5
18
9
11
10
8
17
12
18
22
25
18
18
19
20
21
18
18
17
10
11
10
9
7
6
17
2
4
3
2
2
2
4
3
18
1
23
23
24
24
24
FIT
1:1
100%

Артикул

Название

Примечание

Количество

1

423-S95-7710

Tube

SN: 65949-UP

1шт.

2

04434-50610

Clip

SN: 65949-UP

5шт.

3

01010-D1025

Bolt

SN: 65949-UP

5шт.

4

01643-71032

Washer

SN: 65949-UP

5шт.

5

423-S95-7720

Tube

SN: 65949-UP

1шт.

6

423-S95-7730

Tube

SN: 65949-UP

1шт.

7

423-S95-7740

Tube

SN: 65949-UP

1шт.

8

423-S95-7750

Tube

SN: 65949-UP

1шт.

9

418-S95-4480

Plate

SN: 65949-UP

2шт.

10

418-S95-4471

Clamp

SN: 65949-UP

4шт.

11

418-S95-4490

Screw

SN: 65949-UP

2шт.

12

423-S95-7870

Tube

SN: 65949-UP

1шт.

13

423-S95-7760

Tube

SN: 65949-UP

1шт.

14

418-S95-4530

Plate

SN: 65949-UP

3шт.

15

418-S95-4521

Clamp

SN: 65949-UP

6шт.

16

418-S95-4540

Screw

SN: 65949-UP

6шт.

17

418-S95-4450

Joint

SN: 65949-UP

7шт.

18

421-S95-7630

Elbow

SN: 65949-UP

10шт.

19

421-S95-7651

Clamp

SN: 65949-UP

4шт.

20

421-S95-7660

Plate

SN: 65949-UP

2шт.

21

01010-80640

Bolt

SN: 65949-UP

4шт.

22

08034-20536

Band

SN: 65949-UP

5шт.

23

07095-20318

Cushion

SN: 65949-UP

3шт.

24

08034-20414

Band

SN: 65949-UP

6шт.

25

08034-20536

Band

SN: 65949-UP

1шт.

Выбрано товаров: 0