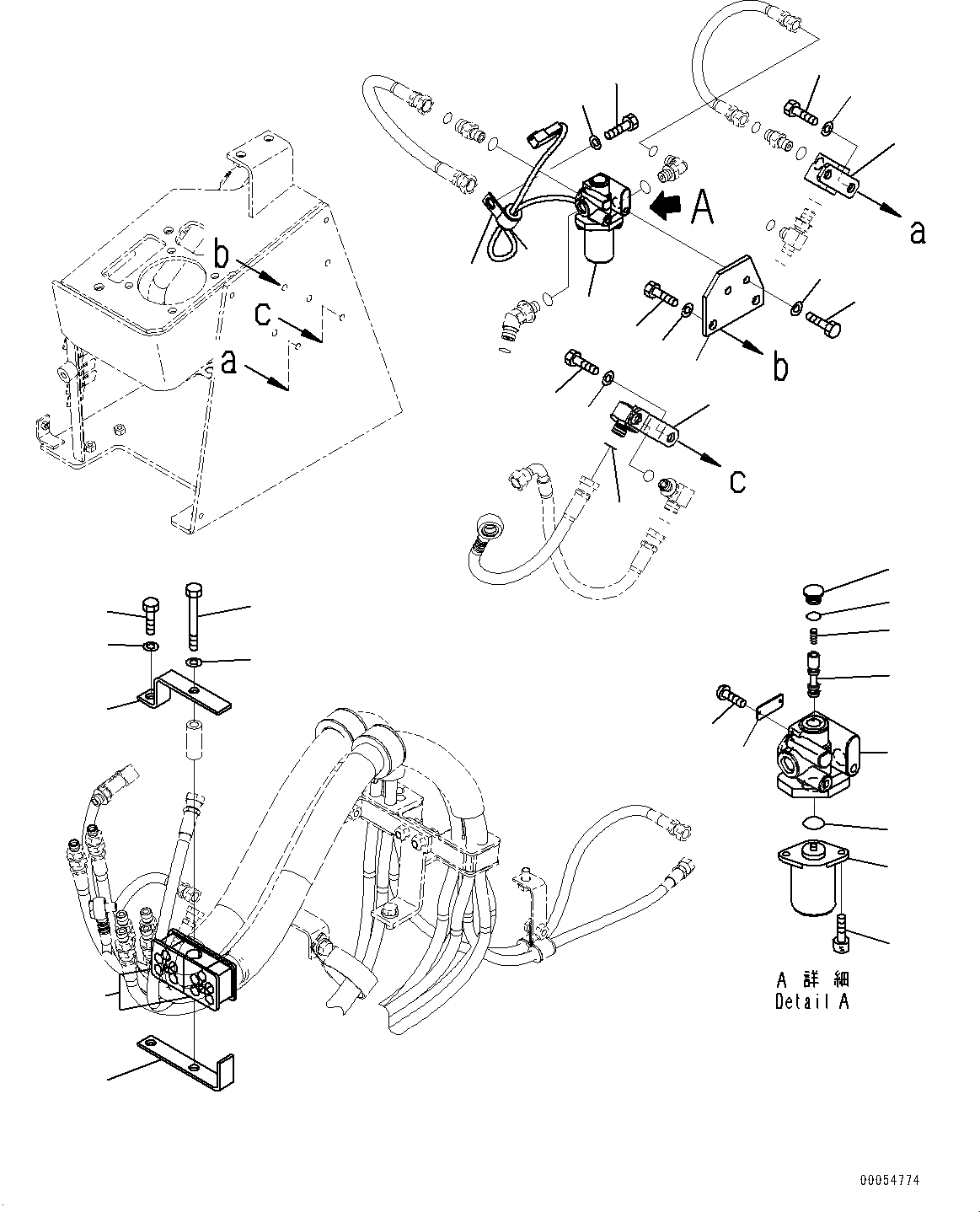
Запчасти Komatsu WA380-6 УПРАВЛЕНИЕ ПОГРУЗКОЙ БЛОК, БЕЗ ПЕРЕД. РЕВЕРС ПЕРЕКЛЮЧАТЕЛЬ, PPC ТРУБЫ (/) (№9-) УПРАВЛЕНИЕ ПОГРУЗКОЙ БЛОК, БЕЗ ПЕРЕД. РЕВЕРС ПЕРЕКЛЮЧАТЕЛЬ

Схема запчастей Komatsu WA380-6 - УПРАВЛЕНИЕ ПОГРУЗКОЙ БЛОК, БЕЗ ПЕРЕД. РЕВЕРС ПЕРЕКЛЮЧАТЕЛЬ, PPC ТРУБЫ (/) (№9-) УПРАВЛЕНИЕ ПОГРУЗКОЙ БЛОК, БЕЗ ПЕРЕД. РЕВЕРС ПЕРЕКЛЮЧАТЕЛЬ
9
6
11
1
24
21
22
3
2
23
25
26
5
4
10
8
7
33
27
32
29
30
28
31
20
11
16
17
15
12
19
13
14
18
FIT
1:1
100%

Артикул

Название

Примечание

Количество

1

423-V91-4271

Plate

SN: 66090-UP

1шт.

2

01010-81020

Bolt

SN: 66090-UP

2шт.

3

01643-31032

Washer

SN: 66090-UP

2шт.

4

423-V91-4250

Block

SN: 66090-UP

1шт.

5

02896-11009

O-ring

SN: 66090-UP

1шт.

6

01010-81020

Bolt

SN: 66090-UP

2шт.

7

01643-31032

Washer

SN: 66090-UP

2шт.

8

423-V91-4281

Block

SN: 66090-UP

1шт.

9

01010-81020

Bolt

SN: 66090-UP

2шт.

10

01643-31032

Washer

SN: 66090-UP

2шт.

10

20Y-60-32110

Valve Assembly

SN: 66090-UP

1шт.

11

20Y-60-32121

Solenoid Assembly

SN: 66090-UP

1шт.

12

NY08000-02200

Plug

SN: 66090-UP

1шт.

13

NY06339-10200

Spring

SN: 66090-UP

1шт.

14

NY07493-10200

Spool

SN: 66090-UP

1шт.

15

NY09000-11400

Plate

SN: 66090-UP

1шт.

16

NY84110-00264

Screw

SN: 66090-UP

2шт.

17

NY81446-05010

Bolt

SN: 66090-UP

2шт.

18

Block

SN: 66090-UP

1шт.

19

07000-12011

O-ring

SN: 66090-UP

1шт.

20

07000-12016

O-ring

SN: 66090-UP

1шт.

21

01010-80820

Bolt

SN: 66090-UP

2шт.

22

01643-30823

Washer

SN: 66090-UP

2шт.

23

04434-51712

Clip

SN: 66090-UP

1шт.

24

07095-20211

Cushion

SN: 66090-UP

1шт.

25

01010-81020

Bolt

SN: 66090-UP

1шт.

26

01643-31032

Washer

SN: 66090-UP

1шт.

27

423-43-48371

Plate

SN: 66090-UP

1шт.

28

423-43-48382

Bracket

SN: 66090-UP

1шт.

29

01010-81080

Bolt

SN: 66090-UP

1шт.

30

01643-31032

Washer

SN: 66090-UP

1шт.

31

423-43-48161

Cushion

SN: 66090-UP

2шт.

32

01010-81030

Bolt

SN: 66090-UP

1шт.

33

01643-31032

Washer

SN: 66090-UP

1шт.

Выбрано товаров: 34