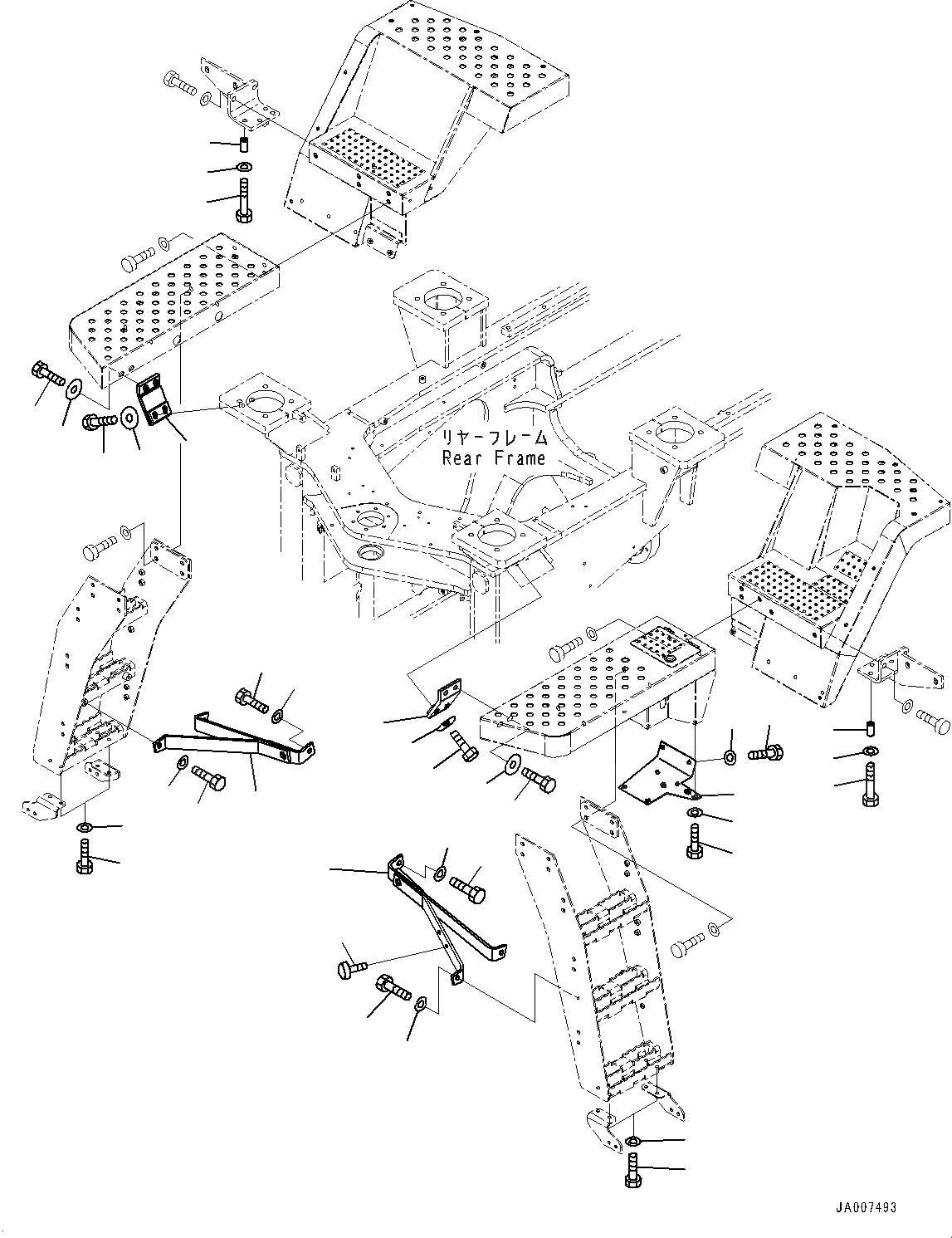
Запчасти Komatsu WA380-6 ЛЕСТНИЦА, КРЕПЛЕНИЕ (№9-) ЛЕСТНИЦА

Схема запчастей Komatsu WA380-6 - ЛЕСТНИЦА, КРЕПЛЕНИЕ (№9-) ЛЕСТНИЦА
2
1
3
13
12
11
13
6
8
7
10
9
8
7
5
16
17
13
11
15
13
12
10
9
6
14
16
17
8
7
8
7
4
2
1
3
FIT
1:1
100%

Артикул

Название

Примечание

Количество

1

01010-D1280

Bolt

SN: 66090-UP

8шт.

2

01643-71232

Washer

SN: 66090-UP

8шт.

3

423-54-44211

Spacer

SN: 66090-UP

8шт.

4

424-54-44963

Bracket

SN: 66090-UP

1шт.

5

424-54-44971

Bracket

SN: 66090-UP

1шт.

6

423-54-44360

Bracket

SN: 66090-UP

2шт.

7

01010-D1230

Bolt

SN: 66090-UP

6шт.

8

01643-71232

Washer

SN: 66090-UP

6шт.

9

01010-D1025

Bolt

SN: 66090-UP

8шт.

10

01643-71032

Washer

SN: 66090-UP

8шт.

11

01010-81235

Bolt

SN: 66090-UP

4шт.

12

01010-81245

Bolt

SN: 66090-UP

4шт.

13

175-54-34170

Washer

SN: 66090-UP

8шт.

14

416-54-34230

Plug

SN: 66090-UP

2шт.

15

424-S95-7340

Cover

SN: 66090-UP

1шт.

16

01010-D1020

Bolt

SN: 66090-UP

5шт.

17

01643-71032

Washer

SN: 66090-UP

5шт.

Выбрано товаров: 0