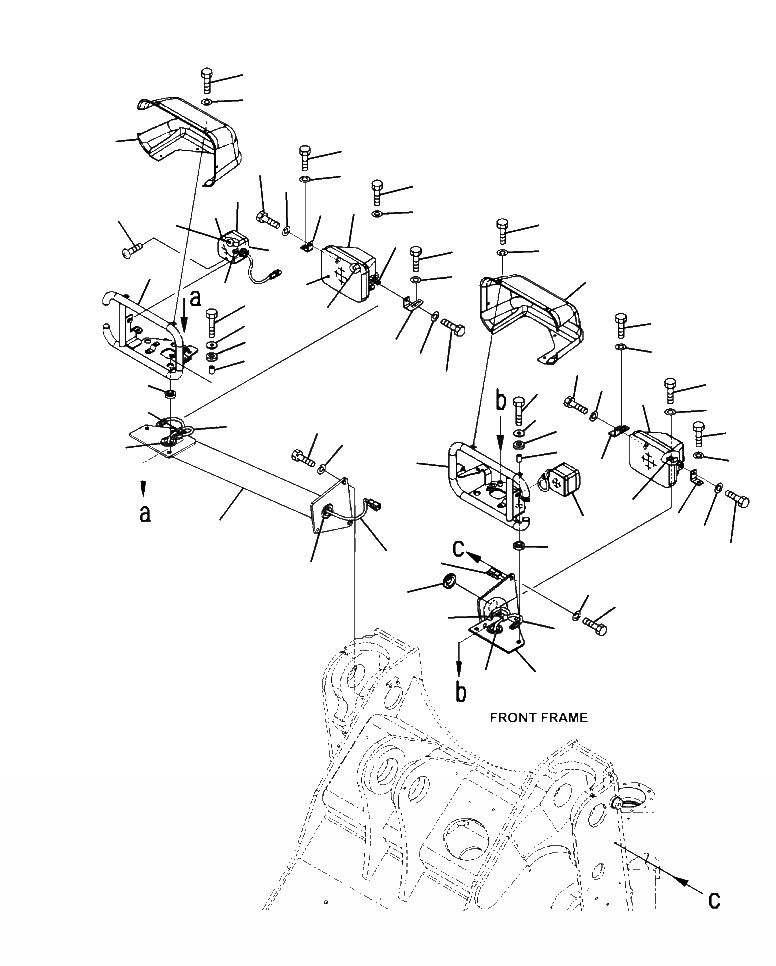
Запчасти Komatsu WA380-6 E-A ПЕРЕДН. ОСВЕЩЕНИЕ ЭЛЕКТРИКА

Схема запчастей Komatsu WA380-6 - E-A ПЕРЕДН. ОСВЕЩЕНИЕ ЭЛЕКТРИКА
32
33
31
11
22
12
23
36
26
19
9
25
29
37
32
28
35
11
33
24
30
12
20
27
17
21
6
16
15
7
10
13
22
23
23
36
14
17
22
19
37
34
16
40
1
15
6
41
18
13
7
3
5
35
4
24
39
23
14
22
1
1
18
41
2
40
34
1
2
38
8
FIT
1:1
100%

Артикул

Название

Примечание

Количество

1

424-06-43151

WIRING HARNESS

SN: A53001--UP

2шт.

2

08037-03620

GROMMET

SN: A53001--UP

2шт.

3

423-06-43130

BRACKET, L.H.

SN: A53001--UP

1шт.

4

421-06-23552

PLATE

SN: A53001--UP

1шт.

5

421-06-23630

PLATE, L.H.

SN: A53001--UP

1шт.

6

01010-81025

BOLT

SN: A53001--UP

2шт.

7

01643-31032

WASHER

SN: A53001--UP

2шт.

8

423-06-43140

BRACKET, R.H.

SN: A53001--UP

1шт.

9

421-06-23552

PLATE

SN: A53001--UP

1шт.

10

421-06-23640

PLATE, R.H.

SN: A53001--UP

1шт.

11

01010-81025

BOLT

SN: A53001--UP

2шт.

12

01643-31032

WASHER

SN: A53001--UP

2шт.

13

417-54-13470

SPACER

SN: A53001--UP

6шт.

14

419-43-17930

CUSHION

SN: A53001--UP

6шт.

15

415-64-13130

CUSHION

SN: A53001--UP

6шт.

16

419-43-17920

WASHER

SN: A53001--UP

6шт.

17

01010-81250

BOLT

SN: A53001--UP

6шт.

18

08037-03620

GROMMET

SN: A53001--UP

2шт.

19

424-06-43211

LAMP

SN: A53001--UP

2шт.

20

424-06-23220

LENS

SN: A53001--UP

1шт.

21

424-06-23230

BULB, 75/70 W

SN: A53001--UP

1шт.

22

01010-80825

BOLT

SN: A53001--UP

4шт.

23

01602-20825

WASHER

SN: A53001--UP

4шт.

24

424-06-43221

LAMP

SN: A53001--UP

2шт.

25

41G-06-13210

LENS, FRONT

SN: A53001--UP

1шт.

26

41G-06-13220

LENS, REAR

SN: A53001--UP

1шт.

27

41G-06-13230

BULB, 5 W

SN: A53001--UP

1шт.

28

08105-12420

BULB, 25 W

SN: A53001--UP

1шт.

29

01220-40425

SCREW

SN: A53001--UP

10шт.

30

421-06-23611

COVER, L.H.

SN: A53001--UP

1шт.

31

421-06-23621

COVER, R.H.

SN: A53001--UP

1шт.

32

01010-80616

BOLT

SN: A53001--UP

10шт.

33

01643-30623

WASHER

SN: A53001--UP

10шт.

34

04434-51212

CLIP

SN: A53001--UP

2шт.

35

04434-50612

CLIP

SN: A53001--UP

2шт.

36

01010-80820

BOLT

SN: A53001--UP

2шт.

37

01643-30823

WASHER

SN: A53001--UP

2шт.

38

423-06-43111

SUPPORT, L.H.

SN: A53001--UP

1шт.

39

423-06-43121

SUPPORT, R.H.

SN: A53001--UP

1шт.

40

01010-81230

BOLT

SN: A53001--UP

6шт.

41

01643-31232

WASHER

SN: A53001--UP

6шт.

Выбрано товаров: 41