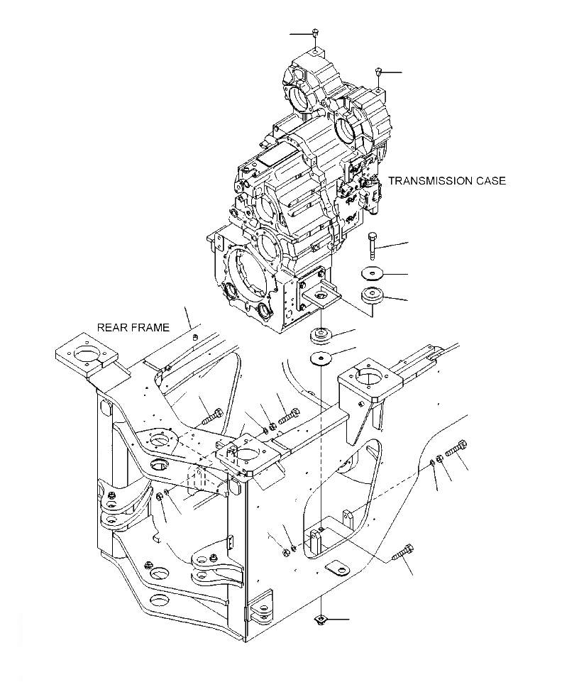
Запчасти Komatsu WA380-6 F8-A ГИДРОТРАНСФОРМАТОР И ТРАНСМИССИЯ КОРПУС КРЕПЛЕНИЕ СИЛОВАЯ ПЕРЕДАЧА И КОНЕЧНАЯ ПЕРЕДАЧА

Схема запчастей Komatsu WA380-6 - F8-A ГИДРОТРАНСФОРМАТОР И ТРАНСМИССИЯ КОРПУС КРЕПЛЕНИЕ СИЛОВАЯ ПЕРЕДАЧА И КОНЕЧНАЯ ПЕРЕДАЧА
12
12
9
8
7
7
10
1
1
2
3
4
5
6
6
3
5
2
4
11
FIT
1:1
100%

Артикул

Название

Примечание

Количество

1

01017-52010

BOLT

SN: A53001--UP

2шт.

2

01580-12016

NUT

SN: A53001--UP

2шт.

3

01643-32060

WASHER

SN: A53001--UP

2шт.

4

01017-52010

BOLT

SN: A53001--UP

2шт.

5

01580-12016

NUT

SN: A53001--UP

2шт.

6

01643-32060

WASHER

SN: A53001--UP

2шт.

7

425-01-11370

CUSHION

SN: A53001--UP

4шт.

8

423-01-41110

WASHER

SN: A53001--UP

2шт.

9

01011-62230

BOLT

SN: A53001--UP

2шт.

10

423-01-41110

WASHER

SN: A53001--UP

2шт.

11

425-01-11250

PLATE

SN: A53001--UP

2шт.

12

07049-02430

PLUG

SN: A53001--UP

2шт.

Выбрано товаров: 12