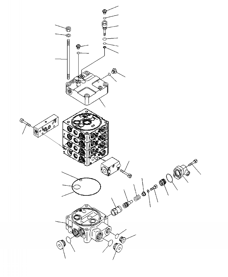
Запчасти Komatsu WA380-6 H-A ОСНОВН. КЛАПАН КРЫШКА(3-Х СЕКЦИОНН. КЛАПАН) ГИДРАВЛИКА

Схема запчастей Komatsu WA380-6 - H-A ОСНОВН. КЛАПАН КРЫШКА(3-Х СЕКЦИОНН. КЛАПАН) ГИДРАВЛИКА
24
25
30
20
29
23
24
21
25
22
28
26
27
19
31
32
4
13
10
7
3
11
6
8
5
2
14
12
9
1
16
15
18
18
17
17
FIT
1:1
100%

Артикул

Название

Примечание

Количество

|$0

VALVE, CONTROL (SEE FIG. H0120-01A1)

SN: A53001--UP

-1шт.

|$1

NSS

BLOCK GROUP

SN: A53001--UP

1шт.

1

NSS

BLOCK

SN: A53001--UP

1шт.

2

144-14-54610

O-RING

SN: A53001--UP

1шт.

3

723-56-31730

O-RING

SN: A53001--UP

1шт.

4

07000-11010

O-RING

SN: A53001--UP

1шт.

5

NSS

SLEEVE

SN: A53001--UP

1шт.

6

NSS

PISTON

SN: A53001--UP

1шт.

7

723-56-33830

SPRING

SN: A53001--UP

1шт.

8

07000-13042

O-RING

SN: A53001--UP

1шт.

9

01643-30623

WASHER

SN: A53001--UP

1шт.

10

01252-60820

BOLT

SN: A53001--UP

2шт.

11

NSS

CASE

SN: A53001--UP

1шт.

12

01252-60612

BOLT

SN: A53001--UP

1шт.

13

723-56-32970

RETAINER

SN: A53001--UP

1шт.

14

NSS

PISTON

SN: A53001--UP

1шт.

15

723-56-41880

PLUG

SN: A53001--UP

1шт.

16

07002-12434

O-RING

SN: A53001--UP

1шт.

17

07040-13316

PLUG

SN: A53001--UP

2шт.

18

07002-13334

O-RING

SN: A53001--UP

2шт.

|$20

NSS

COVER GROUP

SN: A53001--UP

1шт.

19

723-56-11270

COVER

SN: A53001--UP

1шт.

20

723-50-11311

PLUG

SN: A53001--UP

1шт.

21

07000-11004

O-RING

SN: A53001--UP

1шт.

22

07001-01004

RING

SN: A53001--UP

1шт.

23

07002-11423

O-RING

SN: A53001--UP

1шт.

24

708-8E-16160

PLUG

SN: A53001--UP

2шт.

25

07002-11023

O-RING

SN: A53001--UP

2шт.

26

07040-11409

PLUG

SN: A53001--UP

1шт.

27

07002-11423

O-RING

SN: A53001--UP

1шт.

28

723-50-11130

STUD

SN: A53001--UP

4шт.

29

01643-31232

WASHER

SN: A53001--UP

4шт.

30

01580-11210

NUT

SN: A53001--UP

4шт.

31

01252-60840

BOLT

SN: A53001--UP

4шт.

32

01252-60860

BOLT

SN: A53001--UP

4шт.

Выбрано товаров: 35