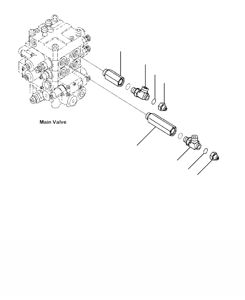
Запчасти Komatsu WA380-6 H-A ГИДРОЛИНИЯ ОСНОВН. КЛАПАН СОЕДИН-Е - JRB COUPLER (2-Х СЕКЦИОНН. КЛАПАН) ГИДРАВЛИКА

Схема запчастей Komatsu WA380-6 - H-A ГИДРОЛИНИЯ ОСНОВН. КЛАПАН СОЕДИН-Е - JRB COUPLER (2-Х СЕКЦИОНН. КЛАПАН) ГИДРАВЛИКА
4
2
5
1
3
2
5
1
FIT
1:1
100%

Артикул

Название

Примечание

Количество

1

423-879-A490

REDUCER

SN: A53001--UP

2шт.

2

423-879-A480

TEE

SN: A53001--UP

2шт.

3

423-879-A370

JOINT

SN: A53001--UP

1шт.

4

423-879-A470

JOINT

SN: A53001--UP

1шт.

5

07000-B3024

O-RING

SN: A53001--UP

2шт.

Выбрано товаров: 5