Запчасти Komatsu WA380-6 K-A RETRACTABLE РЕМЕНЬ БЕЗОПАСНОСТИ OPERATORXD S ОБСТАНОВКА И СИСТЕМА УПРАВЛЕНИЯ

Схема запчастей Komatsu WA380-6 - K-A RETRACTABLE РЕМЕНЬ БЕЗОПАСНОСТИ OPERATORXD S ОБСТАНОВКА И СИСТЕМА УПРАВЛЕНИЯ
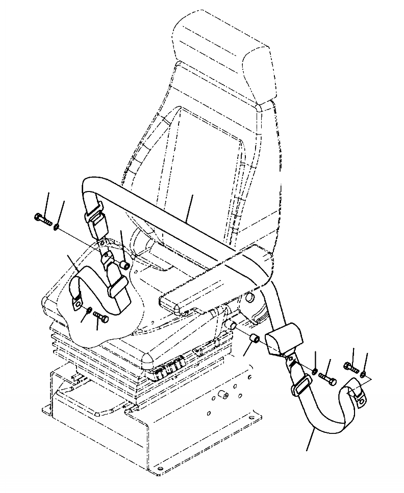
6
1
7
5
2
4
3
3
7
4
6
5
2
FIT
1:1
100%

Артикул

Название

Примечание

Количество

1

421-960-A521

BELT ASSEMBLY, SEAT

SN: A53001--UP

1шт.

2

09409-20000

BELT, TETHER

SN: A53001--UP

2шт.

N/I

NSS

BOLT

SN: A53001--UP

1шт.

N/I

NSS

WASHER

SN: A53001--UP

1шт.

N/I

NSS

NUT

SN: A53001--UP

1шт.

3

02030-70725

BOLT

SN: A53001--UP

2шт.

4

416-40-11150

WASHER

SN: A53001--UP

2шт.

5

104-890-5610

COLLAR

SN: A53001--UP

2шт.

6

02030-20744

BOLT

SN: A53001--UP

2шт.

7

6216-94-3120

WASHER

SN: A53001--UP

2шт.

Выбрано товаров: 10