Запчасти Komatsu WA380-6 K-B УПРАВЛЕНИЕ ПОГРУЗКОЙ ПРОВОДКА (JRB COUPLER) OPERATORXD S ОБСТАНОВКА И СИСТЕМА УПРАВЛЕНИЯ

Схема запчастей Komatsu WA380-6 - K-B УПРАВЛЕНИЕ ПОГРУЗКОЙ ПРОВОДКА (JRB COUPLER) OPERATORXD S ОБСТАНОВКА И СИСТЕМА УПРАВЛЕНИЯ
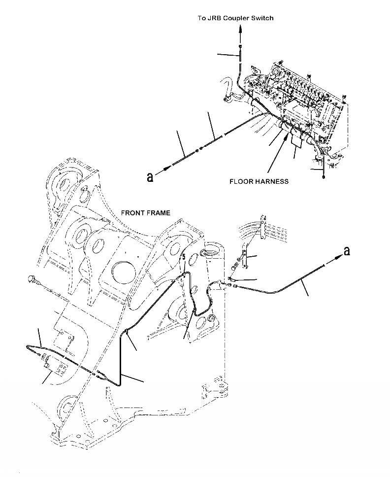
1
1
3
2
2
1
8
7
3
6
5
5
4
9
FIT
1:1
100%

Артикул

Название

Примечание

Количество

1

423-879-A570

WIRING HARNESS

SN: A53001--UP

1шт.

2

935 522 C1

BAND

SN: A53001--UP

3шт.

3

423-879-A530

WIRING HARNESS

SN: A53001--UP

1шт.

4

423-879-A541

WIRING HARNESS

SN: A53001--UP

1шт.

5

04434-51412

CLIP

SN: A53001--UP

3шт.

6

417-879-A550

WIRING HARNESS

SN: A53001--UP

1шт.

7

08053-01512

CLIP

SN: A53001--UP

2шт.

8

PLATE (SEE FIG. H4200-06A0 )

SN: A53001--UP

-1шт.

9

SOLENOID VALVE (SEE FIG. H4200-44A0)

SN: A53001--UP

-1шт.

Выбрано товаров: 9