Запчасти Komatsu WA380-6 K-A УПРАВЛ-Е ТОРМОЗОМ АККУМУЛЯТОР ТОРМОЗНОЙ КЛАПАН КРЕПЛЕНИЕ OPERATORXD S ОБСТАНОВКА И СИСТЕМА УПРАВЛЕНИЯ

Схема запчастей Komatsu WA380-6 - K-A УПРАВЛ-Е ТОРМОЗОМ АККУМУЛЯТОР ТОРМОЗНОЙ КЛАПАН КРЕПЛЕНИЕ OPERATORXD S ОБСТАНОВКА И СИСТЕМА УПРАВЛЕНИЯ
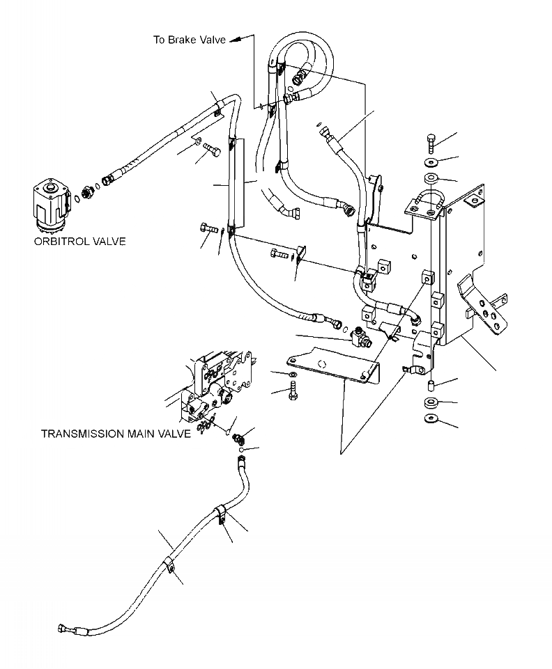
16
25
5
1
18
17
9
2
8
11
12
10
26
7
3
23
6
4
14
13
1
15
22
24
21
20
19
FIT
1:1
100%

Артикул

Название

Примечание

Количество

1

419-43-17920

WASHER

SN: A53001--UP

4шт.

2

419-43-17930

CUSHION

SN: A53001--UP

2шт.

3

417-62-14130

SPACER

SN: A53001--UP

2шт.

4

415-64-13130

CUSHION

SN: A53001--UP

2шт.

5

01010-81250

BOLT

SN: A53001--UP

2шт.

6

01010-81225

BOLT

SN: A53001--UP

2шт.

7

01643-31232

WASHER

SN: A53001--UP

2шт.

8

423-62-41710

HOSE

SN: A53001--UP

1шт.

9

04434-51512

CLIP

SN: A53001--UP

2шт.

10

419-S95-2830

PLATE

SN: A53001--UP

1шт.

11

01010-81020

BOLT

SN: A53001--UP

2шт.

12

01643-31032

WASHER

SN: A53001--UP

2шт.

13

02783-10210

ELBOW

SN: A53001--UP

1шт.

14

07002-11423

O-RING

SN: A53001--UP

1шт.

15

02896-11008

O-RING

SN: A53001--UP

1шт.

16

04434-51512

CLIP

SN: A53001--UP

1шт.

17

01010-81020

BOLT

SN: A53001--UP

1шт.

18

01643-31032

WASHER

SN: A53001--UP

1шт.

19

04434-51312

CLIP

SN: A53001--UP

1шт.

20

04434-51912

CLIP

SN: A53001--UP

1шт.

21

07095-20213

CUSHION

SN: A53001--UP

1шт.

22

PLATE (SEE FIG. K4460-01A0 )

SN: A53001--UP

-1шт.

23

BRACKET (SEE FIG. K4460-01A0 )

SN: A53001--UP

-1шт.

24

HOSE (SEE FIG. K4460-04A0 )

SN: A53001--UP

-1шт.

25

HOSE (SEE FIG. K4460-04A0 )

SN: A53001--UP

-1шт.

26

TEE (SEE FIG. K4460-02A0 )

SN: A53001--UP

-1шт.

Выбрано товаров: 26