Качественные детали и логистика
Оригинальные и аналоговые запчасти с доставкой по России, Казахстану и Беларуси
©2022 PartSell ООО "Система" ИНН 2463123282 ОГРН 1212400004838
Центральный офис: г. Красноярск, Академика Киренского, д.87, пом.4
Телефон: 8 (800) 777-65-74 Email: zakaz@partsell.ru
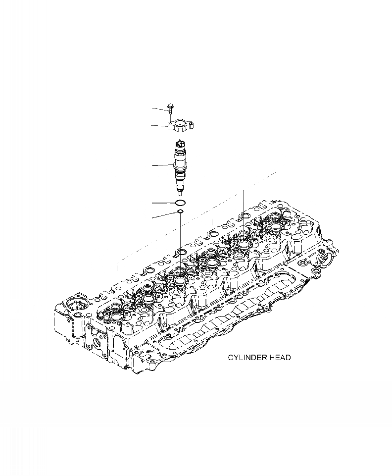
A-AA8 ТОПЛИВН. ВПРЫСК
№
Артикул
Название
Примечание
Количество
|$0
NSS
INJECTOR ASSEMBLY
6шт.
1
6754-11-3110
CLAMP, INJECTOR
1шт.
2
6754-11-3101
INJECTOR
3
6754-11-3130
SEAL, INJECTOR
4
6754-11-3140
SEAL, O-RING
5
6742-01-2630
BOLT (M6-1.00x30)
12шт.
Выбрано товаров: 0