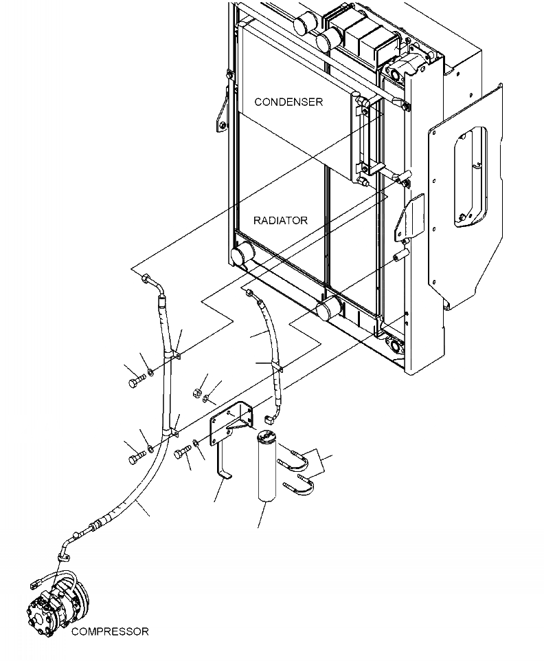
Запчасти Komatsu WA380-6 C-A РАДИАТОР КОНДИЦ. ВОЗДУХА ПРИЕМН. И КРЕПЛЕНИЕ СИСТЕМА ОХЛАЖДЕНИЯ

Схема запчастей Komatsu WA380-6 - C-A РАДИАТОР КОНДИЦ. ВОЗДУХА ПРИЕМН. И КРЕПЛЕНИЕ СИСТЕМА ОХЛАЖДЕНИЯ
11
9
13
12
10
5
6
11
13
12
4
3
2
1
8
7
FIT
1:1
100%

Артикул

Название

Примечание

Количество

1

423-S62-4271

BRACKET

SN: A53001--UP

1шт.

2

01010-81025

BOLT

SN: A53001--UP

2шт.

3

01643-31032

WASHER

SN: A53001--UP

2шт.

4

07283-36155

CLIP

SN: A53001--UP

2шт.

5

01597-01009

NUT

SN: A53001--UP

4шт.

6

01643-31032

WASHER

SN: A53001--UP

4шт.

7

423-07-31571

RECEIVER DRYER

SN: A53001--UP

1шт.

8

423-S62-4211

HOSE

SN: A53001--UP

1шт.

9

423-S62-4221

HOSE

SN: A53001--UP

1шт.

10

04434-51910

CLIP

SN: A53001--UP

1шт.

11

04434-52310

CLIP

SN: A53001--UP

2шт.

12

01010-81020

BOLT

SN: A53001--UP

2шт.

13

01643-31032

WASHER

SN: A53001--UP

2шт.

Выбрано товаров: 0