Запчасти Komatsu WA380-6 E-A ЗАДН. Э/ПРОВОДКА КРЕПЛЕНИЕ (/) ЭЛЕКТРИКА

Схема запчастей Komatsu WA380-6 - E-A ЗАДН. Э/ПРОВОДКА КРЕПЛЕНИЕ (/) ЭЛЕКТРИКА
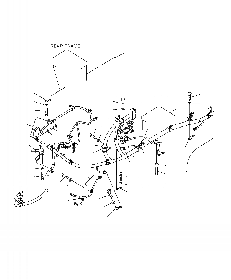
30
6
32
10
7
11
31
27
3
8
4
28
29
24
15
2
5
1
9
8
9
17
26
18
16
13
25
14
19
20
12
22
18
23
21
FIT
1:1
100%

Артикул

Название

Примечание

Количество

1

155-61-15350

CLIP

SN: A54001--UP

1шт.

2

07095-00630

CUSHION

SN: A54001--UP

1шт.

3

01010-81020

BOLT

SN: A54001--UP

1шт.

4

01643-31032

WASHER

SN: A54001--UP

1шт.

5

08193-20010

CLIP

SN: A54001--UP

1шт.

6

01010-81020

BOLT

SN: A54001--UP

1шт.

7

01643-31032

WASHER

SN: A54001--UP

1шт.

8

04434-51612

CLIP

SN: A54001--UP

2шт.

9

07095-20211

CUSHION

SN: A54001--UP

2шт.

10

01010-81020

BOLT

SN: A54001--UP

2шт.

11

01643-31032

WASHER

SN: A54001--UP

2шт.

12

08193-20010

CLIP

SN: A54001--UP

1шт.

13

01010-81020

BOLT

SN: A54001--UP

1шт.

14

01643-31032

WASHER

SN: A54001--UP

1шт.

15

04434-51012

CLIP

SN: A54001--UP

1шт.

16

01010-81020

BOLT

SN: A54001--UP

1шт.

17

01643-31032

WASHER

SN: A54001--UP

1шт.

18

04434-51012

CLIP

SN: A54001--UP

3шт.

19

01010-81020

BOLT

SN: A54001--UP

3шт.

20

01643-31032

WASHER

SN: A54001--UP

3шт.

21

08193-20010

CLIP

SN: A54001--UP

1шт.

22

01010-81020

BOLT

SN: A54001--UP

1шт.

23

01643-31032

WASHER

SN: A54001--UP

1шт.

24

423-06-42121

BRACKET

SN: A54001--UP

1шт.

25

01010-81020

BOLT

SN: A54001--UP

2шт.

26

04434-51412

CLIP

SN: A54001--UP

3шт.

27

04434-51412

CLIP

SN: A54001--UP

3шт.

28

01010-81020

BOLT

SN: A54001--UP

2шт.

29

01643-31032

WASHER

SN: A54001--UP

2шт.

30

08193-20010

CLIP

SN: A54001--UP

1шт.

31

01010-81020

BOLT

SN: A54001--UP

2шт.

32

01643-31032

WASHER

SN: A54001--UP

2шт.

Выбрано товаров: 32