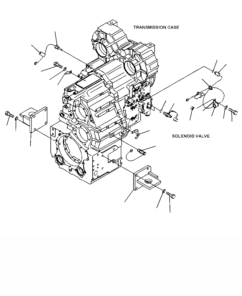
Запчасти Komatsu WA380-6 F-7A ТРАНСМИССИЯ НАВЕСН. ОБОРУД СИЛОВАЯ ПЕРЕДАЧА И КОНЕЧНАЯ ПЕРЕДАЧА

Схема запчастей Komatsu WA380-6 - F-7A ТРАНСМИССИЯ НАВЕСН. ОБОРУД СИЛОВАЯ ПЕРЕДАЧА И КОНЕЧНАЯ ПЕРЕДАЧА
4
18
17
16
6
20
7
5
10
9
11
12
14
15
13
2
8
3
19
1
1
3
2
FIT
1:1
100%

Артикул

Название

Примечание

Количество

1

423-01-41150

BRACKET

SN: A54001--UP

2шт.

2

01010-61650

BOLT

SN: A54001--UP

8шт.

3

01643-31645

WASHER

SN: A54001--UP

8шт.

4

7861-93-3320

SENSOR

SN: A54001--UP

1шт.

5

08193-21012

CLIP

SN: A54001--UP

1шт.

6

01010-81020

BOLT

SN: A54001--UP

2шт.

7

01643-31032

WASHER

SN: A54001--UP

2шт.

8

08193-21012

CLIP

SN: A54001--UP

1шт.

9

799-101-5220

NIPPLE

SN: A54001--UP

2шт.

10

07002-61023

O-RING

SN: A54001--UP

2шт.

11

04434-51710

CLIP

SN: A54001--UP

1шт.

12

07095-20211

CUSHION

SN: A54001--UP

1шт.

13

01010-81035

BOLT

SN: A54001--UP

1шт.

14

01643-31032

WASHER

SN: A54001--UP

1шт.

15

195-01-14540

COLLAR

SN: A54001--UP

1шт.

16

418-43-37681

SWITCH

SN: A54001--UP

1шт.

17

07002-61423

O-RING

SN: A54001--UP

1шт.

18

600-051-2050

CLIP

SN: A54001--UP

1шт.

19

7861-93-2330

SENSOR

SN: A54001--UP

1шт.

20

08034-20519

BAND

SN: A54001--UP

1шт.

Выбрано товаров: 20