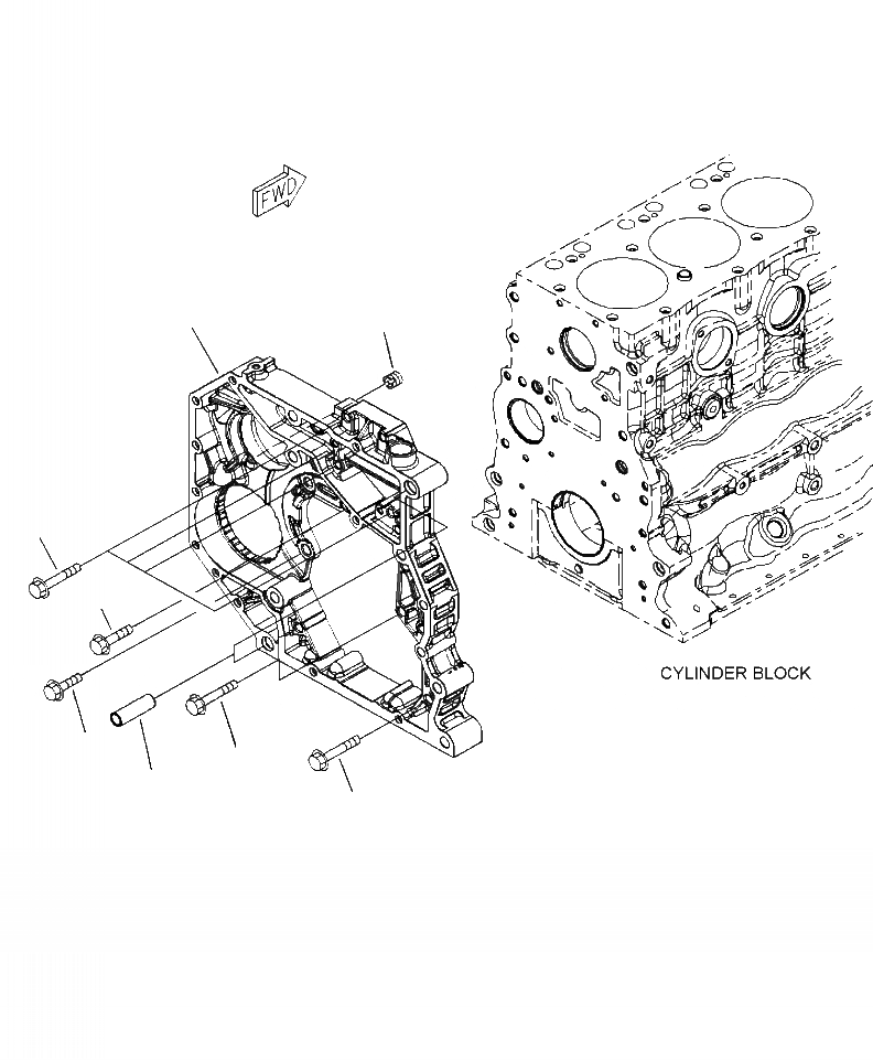
Запчасти Komatsu WA380-6 A9-AA ЗАДН. КОЖУХ ШЕСТЕРЕН. ПЕРЕДАЧИ ДВИГАТЕЛЬ

Схема запчастей Komatsu WA380-6 - A9-AA ЗАДН. КОЖУХ ШЕСТЕРЕН. ПЕРЕДАЧИ ДВИГАТЕЛЬ
6
7
2
3
4
1
5
1
FIT
1:1
100%

Артикул

Название

Примечание

Количество

1

6754-21-3140

BOLT (M10-1.50x50)

3шт.

2

6735-61-2120

BOLT (M8-1.25x45)

4шт.

3

6735-61-3810

BOLT (M10-1.50x30)

2шт.

4

6732-11-1720

BOLT (M12-1.75x30)

1шт.

|$4

6754-21-3102

HOUSING, REAR GEAR

1шт.

5

6754-21-3120

DOWEL, RING

2шт.

6

NSS

HOUSING, GEAR

1шт.

7

NSS

INSERT, THREADED

2шт.

Выбрано товаров: 8