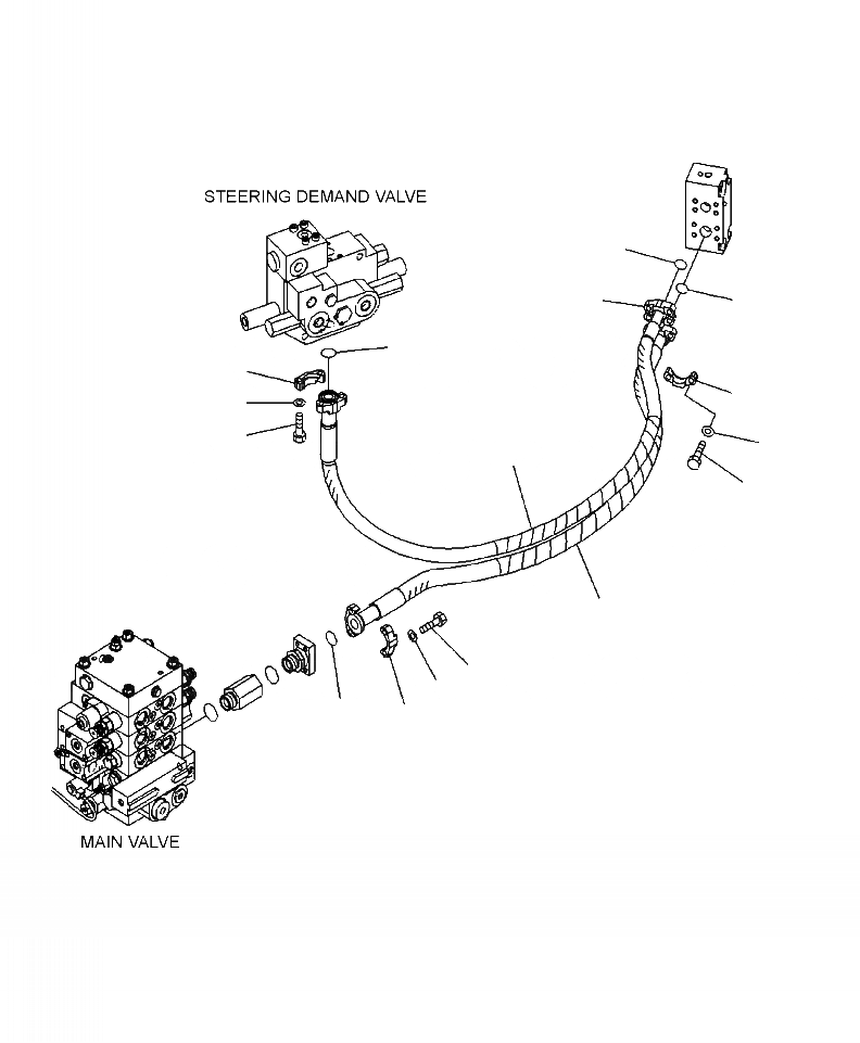
Запчасти Komatsu WA380-6 H-A ГИДРОЛИНИЯ ОХЛАЖДЕНИЕ СИСТЕМЫ ПОВОРОТА ГИДРАВЛИКА

Схема запчастей Komatsu WA380-6 - H-A ГИДРОЛИНИЯ ОХЛАЖДЕНИЕ СИСТЕМЫ ПОВОРОТА ГИДРАВЛИКА
3
4
12
2
4
13
6
5
15
1
14
11
9
10
7
8
FIT
1:1
100%

Артикул

Название

Примечание

Количество

1

423-62-41491

HOSE

SN: A54001--UP

1шт.

2

07000-13025

O-RING

SN: A54001--UP

1шт.

3

07000-13032

O-RING

SN: A54001--UP

1шт.

4

07371-30640

FLANGE

SN: A54001--UP

4шт.

5

07372-21035

BOLT

SN: A54001--UP

8шт.

6

01643-51032

WASHER

SN: A54001--UP

8шт.

7

07000-13032

O-RING

SN: A54001--UP

1шт.

8

07371-31049

FLANGE

SN: A54001--UP

2шт.

9

07372-21035

BOLT

SN: A54001--UP

4шт.

10

01643-51032

WASHER

SN: A54001--UP

4шт.

11

423-62-41512

HOSE

SN: A54001--UP

1шт.

12

07000-13032

O-RING

SN: A54001--UP

1шт.

13

07371-31049

FLANGE

SN: A54001--UP

2шт.

14

07372-21035

BOLT

SN: A54001--UP

4шт.

15

01643-51032

WASHER

SN: A54001--UP

4шт.

Выбрано товаров: 15