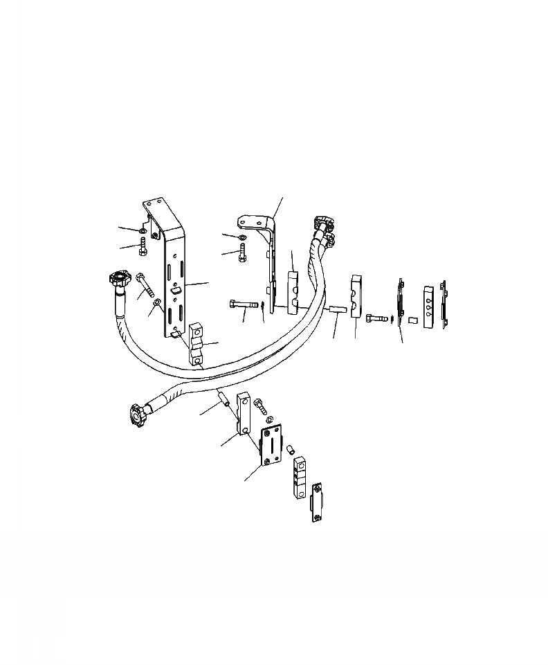
Запчасти Komatsu WA380-6 H-A ГИДРОЛИНИЯ 2-Х СЕКЦИОНН. КЛАПАН (КРЕПЛЕНИЕ) ГИДРАВЛИКА

Схема запчастей Komatsu WA380-6 - H-A ГИДРОЛИНИЯ 2-Х СЕКЦИОНН. КЛАПАН (КРЕПЛЕНИЕ) ГИДРАВЛИКА
9
7
15
13
6
14
1
3
4
11
12
5
13
16
10
8
5
2
FIT
1:1
100%

Артикул

Название

Примечание

Количество

1

423-62-43440

BRACKET

SN: A54001--UP

1шт.

2

423-62-43240

BRACKET

SN: A54001--UP

1шт.

3

01010-81090

BOLT

SN: A54001--UP

2шт.

4

01643-31032

WASHER

SN: A54001--UP

2шт.

5

423-62-34241

RUBBER

SN: A54001--UP

2шт.

6

01010-81230

BOLT

SN: A54001--UP

2шт.

7

01643-31232

WASHER

SN: A54001--UP

2шт.

8

417-62-23690

SPACER

SN: A54001--UP

2шт.

9

423-62-43450

BRACKET

SN: A54001--UP

1шт.

10

423-62-43240

BRACKET

SN: A54001--UP

1шт.

11

01010-81090

BOLT

SN: A54001--UP

2шт.

12

01643-31032

WASHER

SN: A54001--UP

2шт.

13

423-62-34241

RUBBER

SN: A54001--UP

2шт.

14

01010-81230

BOLT

SN: A54001--UP

2шт.

15

01643-31232

WASHER

SN: A54001--UP

2шт.

16

417-62-23690

SPACER

SN: A54001--UP

2шт.

Выбрано товаров: 16