Качественные детали и логистика
Оригинальные и аналоговые запчасти с доставкой по России, Казахстану и Беларуси
©2022 PartSell ООО "Система" ИНН 2463123282 ОГРН 1212400004838
Центральный офис: г. Красноярск, Академика Киренского, д.87, пом.4
Телефон: 8 (800) 777-65-74 Email: zakaz@partsell.ru
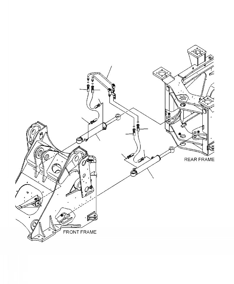
J-A ЦИЛИНДР РУЛЕВ. УПР-Я ГИДРОЛИНИЯ
№
Артикул
Название
Примечание
Количество
1
CYLINDER ASSEMBLY (SEE FIG. J4140-01A1)
SN: A54001--UP
-1шт.
2
423-62-43880
HOSE
2шт.
3
423-62-43870
4
02896-11012
O-RING
4шт.
5
TUBE (SEE FIG. H4410-01A0)
Выбрано товаров: 0