Запчасти Komatsu WA380-6 K9-A V CONVERTER OPERATORXD S ОБСТАНОВКА И СИСТЕМА УПРАВЛЕНИЯ

Схема запчастей Komatsu WA380-6 - K9-A V CONVERTER OPERATORXD S ОБСТАНОВКА И СИСТЕМА УПРАВЛЕНИЯ
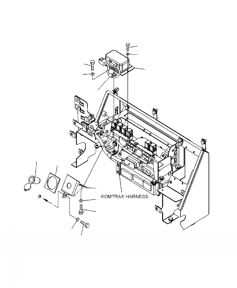
2
3
10
1
11
9
4
8
5
7
6
7
6
FIT
1:1
100%

Артикул

Название

Примечание

Количество

1

22U-06-22251

CONVERTER

SN: A54001--UP

1шт.

2

01010-80616

BOLT

SN: A54001--UP

2шт.

3

01643-30623

WASHER

SN: A54001--UP

2шт.

4

198-Z11-2640

SOCKET ASSEMBLY

SN: A54001--UP

1шт.

5

423-06-42611

BRACKET

SN: A54001--UP

1шт.

6

01010-81020

BOLT

SN: A54001--UP

2шт.

7

01643-31032

WASHER

SN: A54001--UP

2шт.

8

423-06-42871

SHEET

SN: A54001--UP

1шт.

9

04434-50812

CLIP

SN: A54001--UP

1шт.

10

01010-81020

BOLT

SN: A54001--UP

1шт.

11

01643-31032

WASHER

SN: A54001--UP

1шт.

Выбрано товаров: 11