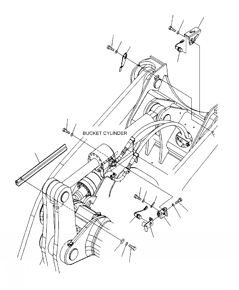
Запчасти Komatsu WA380-6 K-A КОВШ ПОЗИЦИОНЕР OPERATORXD S ОБСТАНОВКА И СИСТЕМА УПРАВЛЕНИЯ

Схема запчастей Komatsu WA380-6 - K-A КОВШ ПОЗИЦИОНЕР OPERATORXD S ОБСТАНОВКА И СИСТЕМА УПРАВЛЕНИЯ
19
18
20
16
17
15
21
2
3
11
5
6
4
8
9
10
1
7
14
13
12
FIT
1:1
100%

Артикул

Название

Примечание

Количество

1

419-43-29110

BRACKET

SN: A54001--UP

1шт.

2

01010-81240

BOLT

SN: A54001--UP

2шт.

3

01643-31232

WASHER

SN: A54001--UP

2шт.

4

08193-20010

CLIP

SN: A54001--UP

1шт.

5

01010-81025

BOLT

SN: A54001--UP

1шт.

6

01643-31032

WASHER

SN: A54001--UP

1шт.

7

421-43-29120

BRACKET

SN: A54001--UP

1шт.

8

01010-81230

BOLT

SN: A54001--UP

2шт.

9

01643-31232

WASHER

SN: A54001--UP

2шт.

10

56B-06-15610

SWITCH

SN: A54001--UP

1шт.

11

423-43-39110

ANGLE

SN: A54001--UP

1шт.

12

01010-81240

BOLT

SN: A54001--UP

2шт.

13

01643-31232

WASHER

SN: A54001--UP

2шт.

14

6113-63-1630

SHIM, 0.2 MM

SN: A54001--UP

2шт.

|$14

6113-63-1640

SHIM, 0.5 MM

SN: A54001--UP

1шт.

15

423-43-39230

PLATE

SN: A54001--UP

1шт.

16

01010-81020

BOLT

SN: A54001--UP

2шт.

17

01643-31032

WASHER

SN: A54001--UP

2шт.

18

423-43-49240

BRACKET

SN: A54001--UP

1шт.

19

01010-81225

BOLT

SN: A54001--UP

2шт.

20

01643-31232

WASHER

SN: A54001--UP

2шт.

21

56B-06-15610

SWITCH

SN: A54001--UP

1шт.

Выбрано товаров: 22