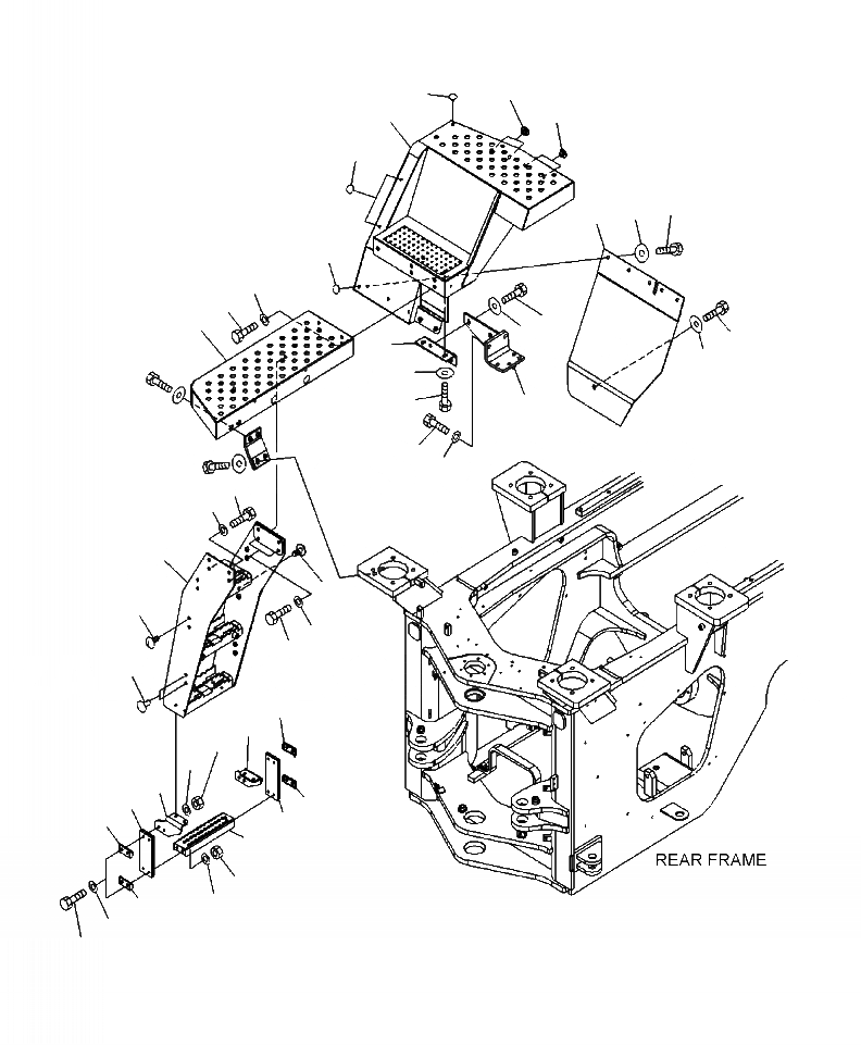
Запчасти Komatsu WA380-6 M-A ЛЕСТНИЦА ПРАВ. ПОЛ ЧАСТИ КОРПУСА

Схема запчастей Komatsu WA380-6 - M-A ЛЕСТНИЦА ПРАВ. ПОЛ ЧАСТИ КОРПУСА
11
12
1
11
12
17
18
16
12
4
3
2
7
10
17
6
18
10
7
5
8
9
14
15
13
27
27
15
14
28
23
20
25
26
21
22
23
23
22
19
25
26
23
26
24
FIT
1:1
100%

Артикул

Название

Примечание

Количество

1

423-54-44821

FLOOR, R.H.

SN: A54001--UP

1шт.

2

423-54-44842

FLOOR, R.H.

SN: A54001--UP

1шт.

3

01010-81230

BOLT

SN: A54001--UP

4шт.

4

01643-31232

WASHER

SN: A54001--UP

4шт.

5

423-54-41330

BRACKET, R.H.

SN: A54001--UP

1шт.

6

423-54-44140

BRACKET

SN: A54001--UP

1шт.

7

01010-81230

BOLT

SN: A54001--UP

4шт.

N/I

01643-31232

WASHER

SN: A54001--UP

4шт.

8

01010-81230

BOLT

SN: A54001--UP

2шт.

9

01643-31232

WASHER

SN: A54001--UP

2шт.

10

421-03-31590

WASHER

SN: A54001--UP

4шт.

11

421-54-22990

PLUG

SN: A54001--UP

4шт.

12

426-56-21990

PLUG

SN: A54001--UP

4шт.

13

423-54-44850

LADDER

SN: A54001--UP

1шт.

14

01010-81235

BOLT

SN: A54001--UP

4шт.

15

01643-31232

WASHER

SN: A54001--UP

4шт.

16

423-54-44170

SHEET, R.H.

SN: A54001--UP

1шт.

17

01010-81025

BOLT

SN: A54001--UP

6шт.

18

421-54-34550

WASHER

SN: A54001--UP

6шт.

19

421-54-34611

STEP

SN: A54001--UP

1шт.

20

424-54-44951

PLATE

SN: A54001--UP

1шт.

21

424-54-44861

PLATE

SN: A54001--UP

1шт.

22

424-54-44680

RUBBER

SN: A54001--UP

2шт.

23

428-T86-1650

PLATE

SN: A54001--UP

4шт.

24

01010-81045

BOLT

SN: A54001--UP

8шт.

25

01596-01009

NUT

SN: A54001--UP

8шт.

26

NSS

WASHER

SN: A54001--UP

16шт.

27

22L-46-12150

CAP

SN: A54001--UP

2шт.

28

416-54-34230

PLUG

SN: A54001--UP

2шт.

Выбрано товаров: 29