Качественные детали и логистика
Оригинальные и аналоговые запчасти с доставкой по России, Казахстану и Беларуси
©2022 PartSell ООО "Система" ИНН 2463123282 ОГРН 1212400004838
Центральный офис: г. Красноярск, Академика Киренского, д.87, пом.4
Телефон: 8 (800) 777-65-74 Email: zakaz@partsell.ru
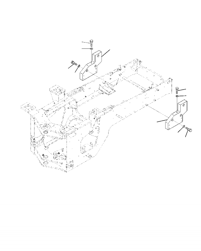
M-A ПРОТИВОВЕС С ДОПОЛН. ВЕС ( )
№
Артикул
Название
Примечание
Количество
1
423-974-4111
COUNTERWEIGHT
SN: A54001--UP
2шт.
2
01010-61670
BOLT
6шт.
3
01643-71645
WASHER
4
01010-81220
5
01643-31232
Выбрано товаров: 0