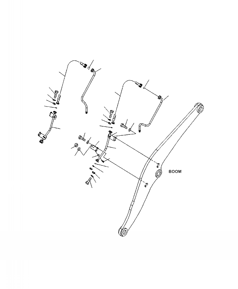
Запчасти Komatsu WA380-6 T-A СТРЕЛА И BELL CRANK ТРУБЫ СТРЕЛЫ РАБОЧЕЕ ОБОРУДОВАНИЕ

Схема запчастей Komatsu WA380-6 - T-A СТРЕЛА И BELL CRANK ТРУБЫ СТРЕЛЫ РАБОЧЕЕ ОБОРУДОВАНИЕ
15
19
14
15
17
14
18
19
16
17
15
18
8
16
9
15
1
8
7
9
7
1
12
10
13
11
3
2
4
6
5
FIT
1:1
100%

Артикул

Название

Примечание

Количество

1

423-877-3292

TUBE

SN: A54001--UP

2шт.

2

07378-11000

HEAD

SN: A54001--UP

2шт.

3

07000-B3032

O-RING

SN: A54001--UP

2шт.

4

07371-31049

FLANGE

SN: A54001--UP

4шт.

5

07372-21035

BOLT

SN: A54001--UP

8шт.

6

01643-51032

WASHER

SN: A54001--UP

8шт.

7

423-877-3581

BRACKET

SN: A54001--UP

4шт.

8

01010-71025

BOLT

SN: A54001--UP

8шт.

9

01643-11032

WASHER

SN: A54001--UP

8шт.

10

07283-32746

CLIP

SN: A54001--UP

4шт.

11

07283-52737

SEAT

SN: A54001--UP

4шт.

12

01597-01009

NUT

SN: A54001--UP

8шт.

13

01643-31032

WASHER

SN: A54001--UP

8шт.

14

07089-00614

HOSE

SN: A54001--UP

2шт.

15

07000-B3025

O-RING

SN: A54001--UP

4шт.

16

07371-30640

FLANGE, SPLIT

SN: A54001--UP

8шт.

17

07372-21035

BOLT

SN: A54001--UP

16шт.

18

01643-51032

WASHER

SN: A54001--UP

16шт.

19

TUBE (SEE FIG. H4200-14A0)

SN: A54001--UP

-1шт.

Выбрано товаров: 19