Запчасти Komatsu WA380-6 A-AA СТАРТЕР V - 7. KW ДВИГАТЕЛЬ

Схема запчастей Komatsu WA380-6 - A-AA СТАРТЕР V - 7. KW ДВИГАТЕЛЬ
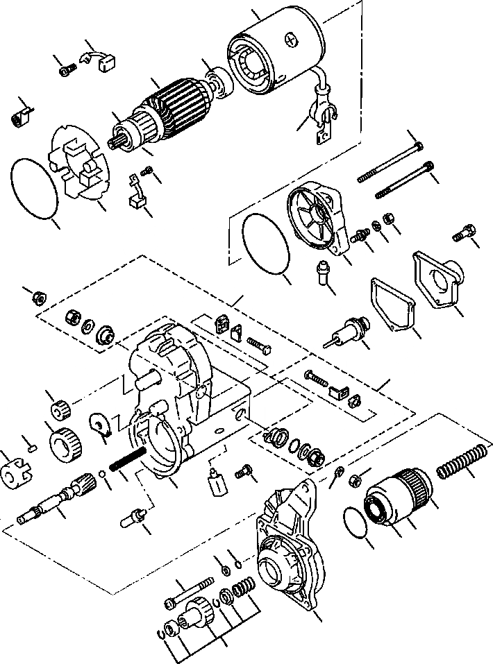
1
40
38
5
2
22
3
31
29
4
30
38
21
39
36
33
35
19
47
23
43
15
36
42
18
17
16
14
37
26
27
28
34
33
10
25
41
13
35
24
9
11
7
20
46
8
45
44
32
12
6
FIT
1:1
100%

Артикул

Название

Примечание

Количество

|$0

6738-82-6810

STARTING MOTOR, PRODUCTION

1шт.

|$1

1316 576 H91

STARTING MOTOR, SERVICE

1шт.

1

1308 948 H1

YOKE ASSEMBLY, STARTER

1шт.

2

1308 949 H1

ARMATURE ASSEMBLY, STARTER

1шт.

3

1308 950 H1

BEARING, BALL (OD35)

1шт.

4

1308 951 H1

BEARING, BALL (OD35)

1шт.

5

1308 952 H1

BEARING, BALL (OD30)

1шт.

|$7

1308 862 H91

CLUTCH SUBASSEMBLY, STARTER

1шт.

6

1308 863 H1

STARTER KIT, PINION

1шт.

7

1308 953 H91

CLUTCH SUB-ASSEMBLY KIT, STARTER

1шт.

8

1316 570 H1

BEARING, BALL (FRONT)

1шт.

9

1308 865 H1

BEARING, BALL (REAR)

1шт.

10

NSS

SPRING, COMPRESSION COIL

1шт.

11

1308 867 H1

SHAFT

1шт.

12

1316 571 H1

HOUSING, STARTER

1шт.

13

1316 572 H91

SWITCH ASSEMBLY, MAGNETIC

1шт.

14

1316 573 H1

STARTER KIT (TERMINAL KIT M)

1шт.

15

1308 957 H1

STARTER KIT (TERMINAL KIT C)

1шт.

16

1308 958 H1

PLUNGER SUB-ASSEMBLY

1шт.

17

1308 872 H1

GASKET, SWITCH A

1шт.

18

1308 873 H1

COVER, SOLENOID

1шт.

19

1308 960 H1

BOLT, W/WASHER (M5, L14)

3шт.

20

1308 875 H1

BUSHING, DRAIN

1шт.

21

1308 961 H1

HOLDER ASSEMBLY, STARTER BRUSH

1шт.

22

1308 962 H1

SPRING, BRUSH

4шт.

23

1316 574 H1

FRAME, STARTER END

1шт.

24

1308 879 H1

BALL, STEEL

1шт.

25

1308 880 H1

SPRING, COMPRESSION COIL

1шт.

26

1308 964 H1

PINION, STARTER

1шт.

27

1308 882 H1

ROLLER, CLUTCH

5шт.

28

1308 883 H1

RETAINER

1шт.

29

1316 557 H1

COVER

1шт.

30

1308 965 H1

BOLT, THROUGH (M7,L144.5)

1шт.

31

1308 966 H1

BOLT, THROUGH (M7,L206)

1шт.

32

1308 890 H1

SCREW (M6,L50)

3шт.

33

1308 893 H1

NUT, HEXAGON (M10)

2шт.

34

1308 884 H1

RETAINER, SNAP

1шт.

35

1308 894 H1

WASHER, SPRING (M10)

2шт.

36

1316 558 H1

SEAL, STARTER

2шт.

37

1308 968 H1

PINION, STARTER

1шт.

38

1308 889 H1

SCREW, W/WASHER (M5,L9.4)

4шт.

39

1308 969 H1

BRUSH (+) SUBASSEMBLY, STARTER

2шт.

40

1308 970 H1

BRUSH (-) SUBASSEMBLY, STARTER

2шт.

41

1308 892 H1

SCREW, W/WASHER (M5,L8)

1шт.

42

1308 895 H1

COVER

1шт.

43

1308 898 H1

NUT (M10)

1шт.

44

1308 896 H1

SEAL, STARTER

1шт.

45

1308 897 H1

WASHER, PLATE (T1)

3шт.

46

1308 891 H1

O-RING (ID4.8)

3шт.

47

1316 575 H1

BOLT, STARTER

1шт.

N/I

09842-A0481

DECAL, DO NOT JUMP START

1шт.

|$51

51

-1шт.

|$52

F1 - PART NUMBER IS A NON-SERVICE PART AND IS LISTED FOR REFERENCE ONLY. ORDER THE SER VICE STARTING MOTOR.

52

-1шт.

Выбрано товаров: 53