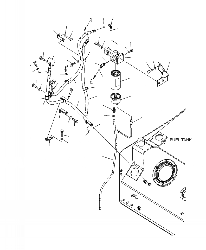
Запчасти Komatsu WA380-6 D-A ТОПЛИВН. БАК. ФИЛЬТР. ТОПЛИВН. БАК. AND КОМПОНЕНТЫ

Схема запчастей Komatsu WA380-6 - D-A ТОПЛИВН. БАК. ФИЛЬТР. ТОПЛИВН. БАК. AND КОМПОНЕНТЫ
16
19
30
17
28
29
9
10
11
12
20
43
21
40
14
3
1
4
39
2
13
24
37
25
38
5
39
15
25
40
18
34
26
6
22
35
7
36
42
8
28
23
30
29
32
27
33
31
41
FIT
1:1
100%

Артикул

Название

Примечание

Количество

1

423-04-41241

BRACKET

SN: A54001--UP

1шт.

2

01010-81025

BOLT

SN: A54001--UP

2шт.

3

01643-31032

WASHER

SN: A54001--UP

2шт.

|$3

6754-71-7402

FILTER ASSEMBLY

SN: A54001--UP

1шт.

4

6754-71-7200

HEAD

SN: A54001--UP

1шт.

|$5

600-311-3602

FILTER ASSEMBLY

SN: A54001--UP

1шт.

5

600-311-3610

CARTRIDGE ASSEMBLY

SN: A54001--UP

1шт.

6

600-311-3640

BOWL

SN: A54001--UP

1шт.

7

600-311-3660

VALVE ASSEMBLY

SN: A54001--UP

1шт.

8

600-311-3722

SENSOR

SN: A54001--UP

1шт.

9

01010-81035

BOLT

SN: A54001--UP

2шт.

10

01643-31032

WASHER

SN: A54001--UP

2шт.

11

07040-11409

PLUG

SN: A54001--UP

1шт.

12

07002-11423

O-RING

SN: A54001--UP

1шт.

13

17M-03-46530

ELBOW

SN: A54001--UP

1шт.

14

07002-11423

O-RING

SN: A54001--UP

1шт.

15

02896-11012

O-RING

SN: A54001--UP

1шт.

16

02782-10311

ELBOW

SN: A54001--UP

1шт.

17

07002-11423

O-RING

SN: A54001--UP

1шт.

18

423-04-41261

HOSE

SN: A54001--UP

1шт.

19

02896-11009

O-RING

SN: A54001--UP

1шт.

20

07206-30812

BOLT

SN: A54001--UP

1шт.

21

07005-01212

GASKET

SN: A54001--UP

2шт.

22

423-04-41271

HOSE

SN: A54001--UP

1шт.

23

02896-11009

O-RING

SN: A54001--UP

1шт.

24

07206-30812

BOLT

SN: A54001--UP

1шт.

25

07005-01212

GASKET

SN: A54001--UP

2шт.

26

423-04-41250

HOSE

SN: A54001--UP

1шт.

27

02896-11012

O-RING

SN: A54001--UP

1шт.

28

23S-44-14540

PLATE

SN: A54001--UP

2шт.

29

01010-D1030

BOLT

SN: A54001--UP

2шт.

30

01643-71032

WASHER

SN: A54001--UP

2шт.

31

423-04-41290

BRACKET

SN: A54001--UP

1шт.

32

01010-81020

BOLT

SN: A54001--UP

1шт.

33

01643-31032

WASHER

SN: A54001--UP

1шт.

34

04434-52312

CLIP

SN: A54001--UP

3шт.

35

04434-51912

CLIP

SN: A54001--UP

4шт.

36

07095-20420

CUSHION

SN: A54001--UP

4шт.

37

01010-81020

BOLT

SN: A54001--UP

3шт.

38

01643-31032

WASHER

SN: A54001--UP

3шт.

39

01010-81025

BOLT

SN: A54001--UP

2шт.

40

01643-31032

WASHER

SN: A54001--UP

2шт.

41

07270-61010

TUBE

SN: A54001--UP

1шт.

42

07285-00125

CLAMP, HOSE

SN: A54001--UP

1шт.

43

04434-52712

CLAMP

SN: A54001--UP

4шт.

Выбрано товаров: 45