Запчасти Komatsu WA380-6 E-A КОРПУС АККУМУЛЯТОРА ЛЕВ. COVER ЭЛЕКТРИКА

Схема запчастей Komatsu WA380-6 - E-A КОРПУС АККУМУЛЯТОРА ЛЕВ. COVER ЭЛЕКТРИКА
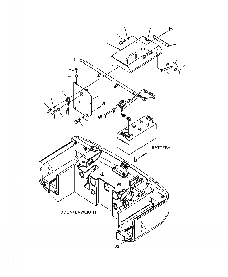
7
9
8
6
10
12
13
5
4
11
14
17
1
16
17
15
3
2
FIT
1:1
100%

Артикул

Название

Примечание

Количество

1

423-06-44550

COVER, L.H.

SN: A54001--UP

1шт.

2

01010-D1020

BOLT

SN: A54001--UP

3шт.

3

NSS

WASHER

SN: A54001--UP

3шт.

4

01580-11008

NUT

SN: A54001--UP

2шт.

5

20Y-54-11611

STOPPER

SN: A54001--UP

2шт.

6

423-06-44211

COVER, L.H.

SN: A54001--UP

1шт.

7

416-09-12230

HINGE

SN: A54001--UP

1шт.

8

01010-81025

BOLT

SN: A54001--UP

2шт.

9

01643-31032

WASHER

SN: A54001--UP

2шт.

10

424-06-44250

PLATE

SN: A54001--UP

1шт.

11

421-06-24230

BAR

SN: A54001--UP

1шт.

12

01641-20812

WASHER

SN: A54001--UP

2шт.

13

04050-02015

PIN, COTTER

SN: A54001--UP

1шт.

14

421-09-12322

HOLDER

SN: A54001--UP

1шт.

15

01220-40408

SCREW

SN: A54001--UP

3шт.

16

01220-40410

SCREW

SN: A54001--UP

2шт.

17

01641-20405

WASHER

SN: A54001--UP

5шт.

Выбрано товаров: 0