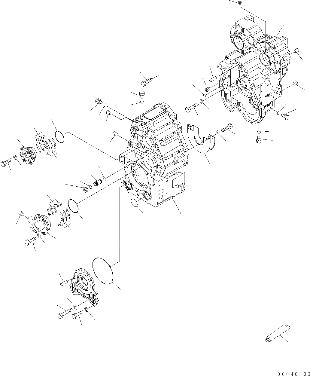
Запчасти Komatsu WA380-6 ТРАНСМИССИЯ (КОРПУС ТРАНСМИССИИ) (С БЛОКИР.-UP) F ТРАНСМИССИЯ

Схема запчастей Komatsu WA380-6 - ТРАНСМИССИЯ (КОРПУС ТРАНСМИССИИ) (С БЛОКИР.-UP) F ТРАНСМИССИЯ
16
8
11
9
12
13
15
14
40
41
39
20
19
42
10
17
18
2
3
6
7
4
5
1
25
33
30
32
31
35
34
46
47
43
44
45
44
36
35
29
38
21
22
24
23
26
27
28
37
FIT
1:1
100%

Артикул

Название

Примечание

Количество

|$1

423-15-H1122

TRANSMISSION ASSEMBLY, WITH LOCK UP

SN: H60716-UP

1шт.

|$2

423-15-H1121

TRANSMISSION ASSEMBLY, WITH LOCK UP

SN: H60051-H60715

1шт.

|$3

714-12-31113

CASE FRONT

SN: H60051-UP

1шт.

1

0

CASE FRONT

SN: H60051-UP

1шт.

2

07040-11007

PLUG

SN: H60051-UP

1шт.

3

07002-61023

O-RING, (K1)

SN: H60051-UP

1шт.

4

07043-70415

PLUG

SN: H60051-UP

2шт.

5

07043-70617

PLUG

SN: H60051-UP

3шт.

6

07040-12412

PLUG

SN: H60051-UP

1шт.

7

07002-62434

O-RING, (K1)

SN: H60051-UP

1шт.

|$11

714-12-31152

CASE REAR

SN: H60051-UP

1шт.

8

0

CASE REAR

SN: H60051-UP

1шт.

9

07043-70108

PLUG

SN: H60051-UP

2шт.

10

07043-70211

PLUG

SN: H60051-UP

2шт.

11

07043-70617

PLUG

SN: H60051-UP

9шт.

12

07040-11409

PLUG

SN: H60051-UP

3шт.

13

07002-61423

O-RING, (K1)

SN: H60051-UP

3шт.

14

07040-11612

PLUG

SN: H60051-UP

4шт.

15

07002-61623

O-RING, (K1)

SN: H60051-UP

4шт.

16

714-12-32960

PLUG

SN: H60051-UP

2шт.

17

04020-01228

PIN, DOWEL

SN: H60051-UP

2шт.

18

01010-81260

BOLT

SN: H60051-UP

21шт.

19

01011-81215

BOLT

SN: H60051-UP

6шт.

20

01643-31232

WASHER

SN: H60051-UP

6шт.

21

419-15-18131

LIQUID GASKET

SN: H60051-H60715

1шт.

22

07000-75270

O-RING, (K1)

SN: H60051-UP

1шт.

23

01016-51235

BOLT

SN: H60051-UP

8шт.

24

01643-31232

WASHER

SN: H60051-UP

8шт.

25

07000-72080

O-RING, (K1)

SN: H60051-UP

2шт.

26

01011-81230

BOLT

SN: H60051-UP

7шт.

27

01643-31232

WASHER

SN: H60051-UP

7шт.

28

04020-01228

PIN, DOWEL

SN: H60051-UP

2шт.

29

714-12-38141

CAGE

SN: H60051-UP

1шт.

30

714-12-38162

SLEEVE

SN: H60716-UP

1шт.

30

714-12-38161

SLEEVE

SN: H60051-H60715

1шт.

31

714-12-38241

ORIFICE

SN: H60051-UP

1шт.

32

07000-73022

O-RING, (K1)

SN: H60051-UP

1шт.

33

07000-72021

O-RING, (K1)

SN: H60051-UP

1шт.

34

07043-70415

PLUG

SN: H60051-UP

1шт.

35

714-07-00010

SHIM ASSEMBLY, (K1)

SN: H60051-UP

1шт.

|$41

0

SHIM, 0.05MM

SN: H60051-UP

3шт.

|$42

0

SHIM, 0.5MM

SN: H60051-UP

3шт.

|$43

0

SHIM, 0.2MM

SN: H60051-UP

2шт.

|$44

0

SHIM, 0.05MM

SN: H60051-UP

3шт.

|$45

0

SHIM, 0.2MM

SN: H60051-UP

2шт.

|$46

0

SHIM, 0.5MM

SN: H60051-UP

3шт.

36

07000-72135

O-RING, (K1)

SN: H60051-UP

1шт.

37

01016-51235

BOLT

SN: H60051-UP

6шт.

38

01643-31232

WASHER

SN: H60051-UP

6шт.

39

714-12-34913

BAFFLE

SN: H60051-UP

1шт.

40

01010-81225

BOLT

SN: H60051-UP

2шт.

41

01643-31232

WASHER

SN: H60051-UP

2шт.

42

07000-73030

O-RING, (K1)

SN: H60051-UP

1шт.

43

714-12-38152

CAGE

SN: H60051-UP

1шт.

44

714-12-00020

SHIM ASSEMBLY, (K1)

SN: H60051-UP

1шт.

|$56

0

SHIM, 0.05MM

SN: H60051-UP

6шт.

|$57

0

SHIM, 0.5MM

SN: H60051-UP

6шт.

|$58

0

SHIM, 0.2MM

SN: H60051-UP

4шт.

45

07000-75120

O-RING, (K1)

SN: H60051-UP

1шт.

46

01016-51235

BOLT

SN: H60051-UP

6шт.

47

01643-31232

WASHER

SN: H60051-UP

6шт.

Выбрано товаров: 61