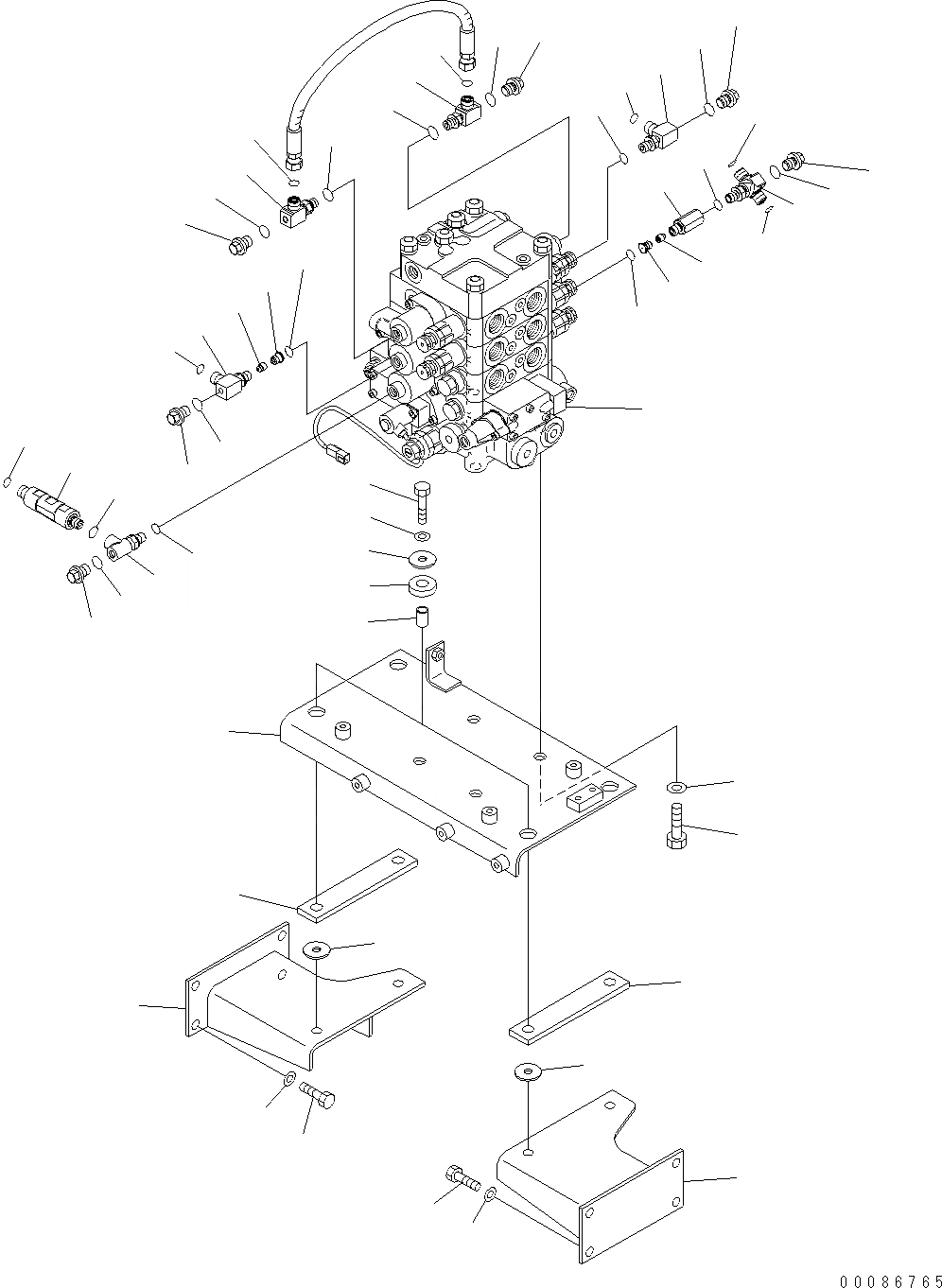
Запчасти Komatsu WA380-6 ОСНОВН. КЛАПАН ( СЕКЦ. / EPC) H ГИДРАВЛИКА

Схема запчастей Komatsu WA380-6 - ОСНОВН. КЛАПАН ( СЕКЦ. / EPC) H ГИДРАВЛИКА
4
3
10
11
7
12
13
15
16
7
10
14
2
1
8
9
7
5
6
40
41
32
33
35
34
36
40
41
28
27
26
31
29
41
40
25
30
31
40
41
17
19
18
40
41
39
37
38
38
39
37
41
40
24
20
21
22
23
FIT
1:1
100%

Артикул

Название

Примечание

Количество

1

723-54-16402

CONTROL VALVE

SN: H60051-UP

1шт.

2

423-64-45120

BRACKET

SN: H60051-UP

1шт.

3

01010-81635

BOLT

SN: H60051-UP

4шт.

4

01643-31645

WASHER

SN: H60051-UP

4шт.

5

419-43-17930

CUSHION

SN: H60051-UP

4шт.

6

417-54-13470

SPACER

SN: H60051-UP

4шт.

7

419-43-17920

WASHER

SN: H60051-UP

8шт.

8

01010-81255

BOLT

SN: H60051-UP

4шт.

9

01643-31232

WASHER

SN: H60051-UP

4шт.

10

424-64-23130

CUSHION

SN: H60051-UP

2шт.

11

423-64-35530

BRACKET, LHS

SN: H60051-UP

1шт.

12

01010-81225

BOLT

SN: H60051-UP

4шт.

13

01643-31232

WASHER

SN: H60051-UP

4шт.

14

423-64-35520

BRACKET, RHS

SN: H60051-UP

1шт.

15

01010-81225

BOLT

SN: H60051-UP

4шт.

16

01643-31232

WASHER

SN: H60051-UP

4шт.

17

423-62-34290

ELBOW

SN: H60051-UP

1шт.

18

07002-11423

O-RING

SN: H60051-UP

1шт.

19

02896-11009

O-RING

SN: H60051-UP

1шт.

|$20

423-62-35440

VALVE

SN: H60051-UP

1шт.

20

418-62-34490

ELBOW

SN: H60051-UP

1шт.

21

203-60-62320

POPPET

SN: H60051-UP

1шт.

22

423-62-35450

PLUG

SN: H60051-UP

1шт.

23

07002-11423

O-RING

SN: H60051-UP

1шт.

24

02896-11009

O-RING

SN: H60051-UP

1шт.

25

423-62-43640

VALVE ASSEMBLY

SN: H60051-UP

1шт.

26

21W-973-3420

POPPET

SN: H60051-UP

1шт.

27

21Y-62-11591

PLUG

SN: H60051-UP

1шт.

28

07002-11423

O-RING

SN: H60051-UP

1шт.

29

423-62-34591

TEE

SN: H60051-UP

1шт.

30

07002-11423

O-RING

SN: H60051-UP

1шт.

31

02896-11009

O-RING

SN: H60051-UP

2шт.

32

22F-62-11990

TEE

SN: H60051-UP

1шт.

33

07002-11423

O-RING

SN: H60051-UP

1шт.

34

702-19-35101

VALVE

SN: H60051-UP

1шт.

35

02896-11009

O-RING

SN: H60051-UP

1шт.

36

07002-11423

O-RING

SN: H60051-UP

1шт.

37

423-62-34290

ELBOW

SN: H60051-UP

2шт.

38

07002-11423

O-RING

SN: H60051-UP

2шт.

39

02896-11009

O-RING

SN: H60051-UP

2шт.

40

423-62-52290

PLUG

SN: H60952-UP

6шт.

40

708-8E-16150

PLUG

SN: H60051-H60951

6шт.

41

07002-11023

O-RING

SN: H60051-UP

6шт.

Выбрано товаров: 43