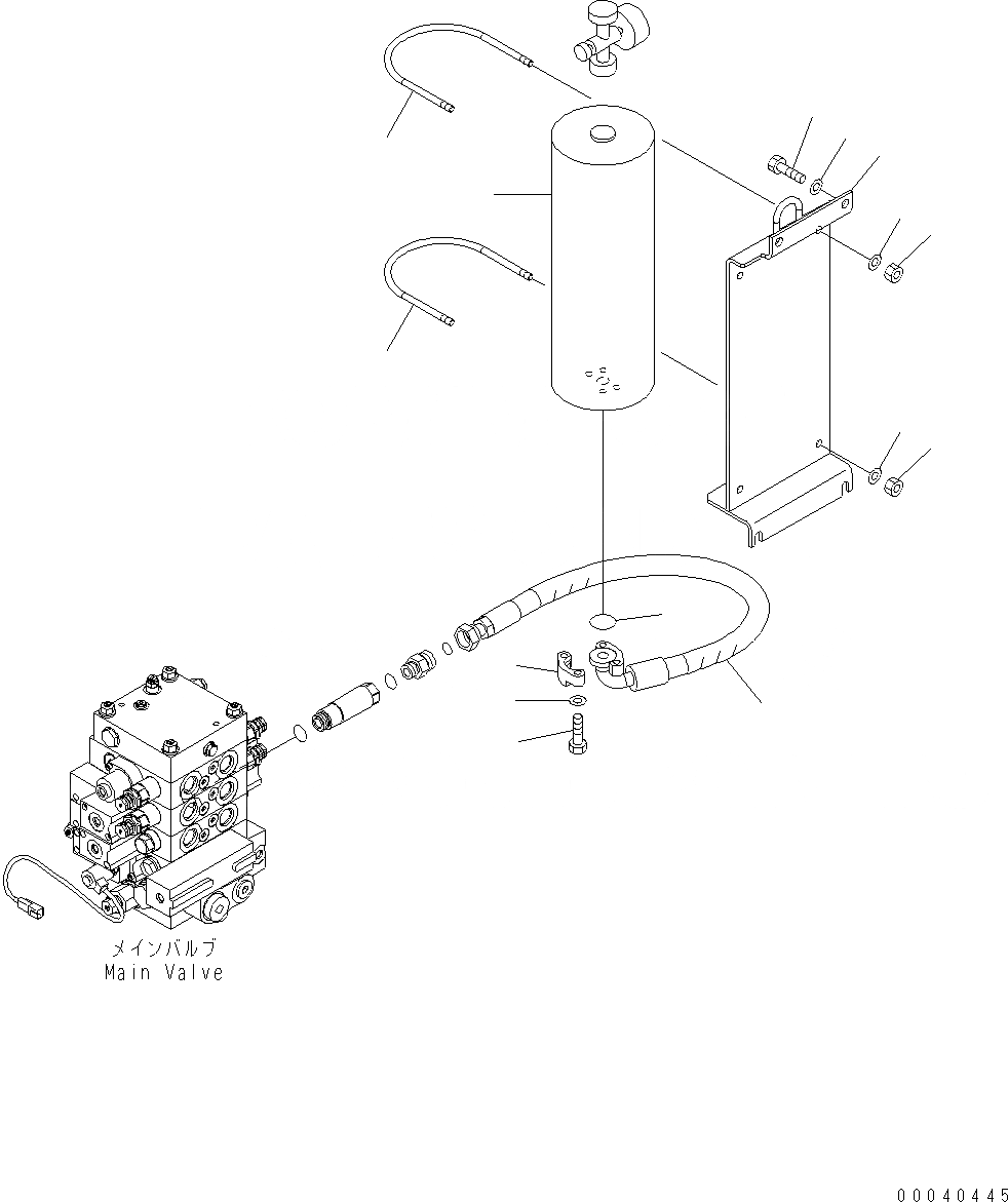
Запчасти Komatsu WA380-6 ГИДРОЛИНИЯ ( СЕКЦ.) (АККУМУЛЯТОР) H ГИДРАВЛИКА

Схема запчастей Komatsu WA380-6 - ГИДРОЛИНИЯ ( СЕКЦ.) (АККУМУЛЯТОР) H ГИДРАВЛИКА
2
2
1
6
7
5
4
3
4
3
8
12
9
11
10
FIT
1:1
100%

Артикул

Название

Примечание

Количество

1

423-S99-3142

ACCUMULATOR

SN: H60856-UP

1шт.

1

\9\423-S99-3141

ACCUMULATOR

SN: H60051-H60855

1шт.

|$3

423-S99-HP01

REPAIR KIT, WITH PISTON

SN: H60051-UP

1шт.

|$4

423-S99-HP02

SEAL KIT, WITHOUT PISTON

SN: H60051-UP

1шт.

2

423-S99-3120

CLIP

SN: H60051-UP

2шт.

3

01596-01009

NUT

SN: H60051-UP

4шт.

4

01643-31032

WASHER

SN: H60051-UP

4шт.

5

423-S99-4110

BRACKET

SN: H60051-UP

1шт.

6

01010-81225

BOLT

SN: H60051-UP

4шт.

7

01643-31232

WASHER

SN: H60051-UP

4шт.

8

423-S99-4120

HOSE, 950MM

SN: H60051-UP

1шт.

9

363-18-31380

FLANGE

SN: H60051-UP

2шт.

10

07372-21035

BOLT

SN: H60051-UP

4шт.

11

01643-51032

WASHER

SN: H60051-UP

4шт.

12

363-18-31390

O-RING

SN: H60051-UP

1шт.

Выбрано товаров: 15