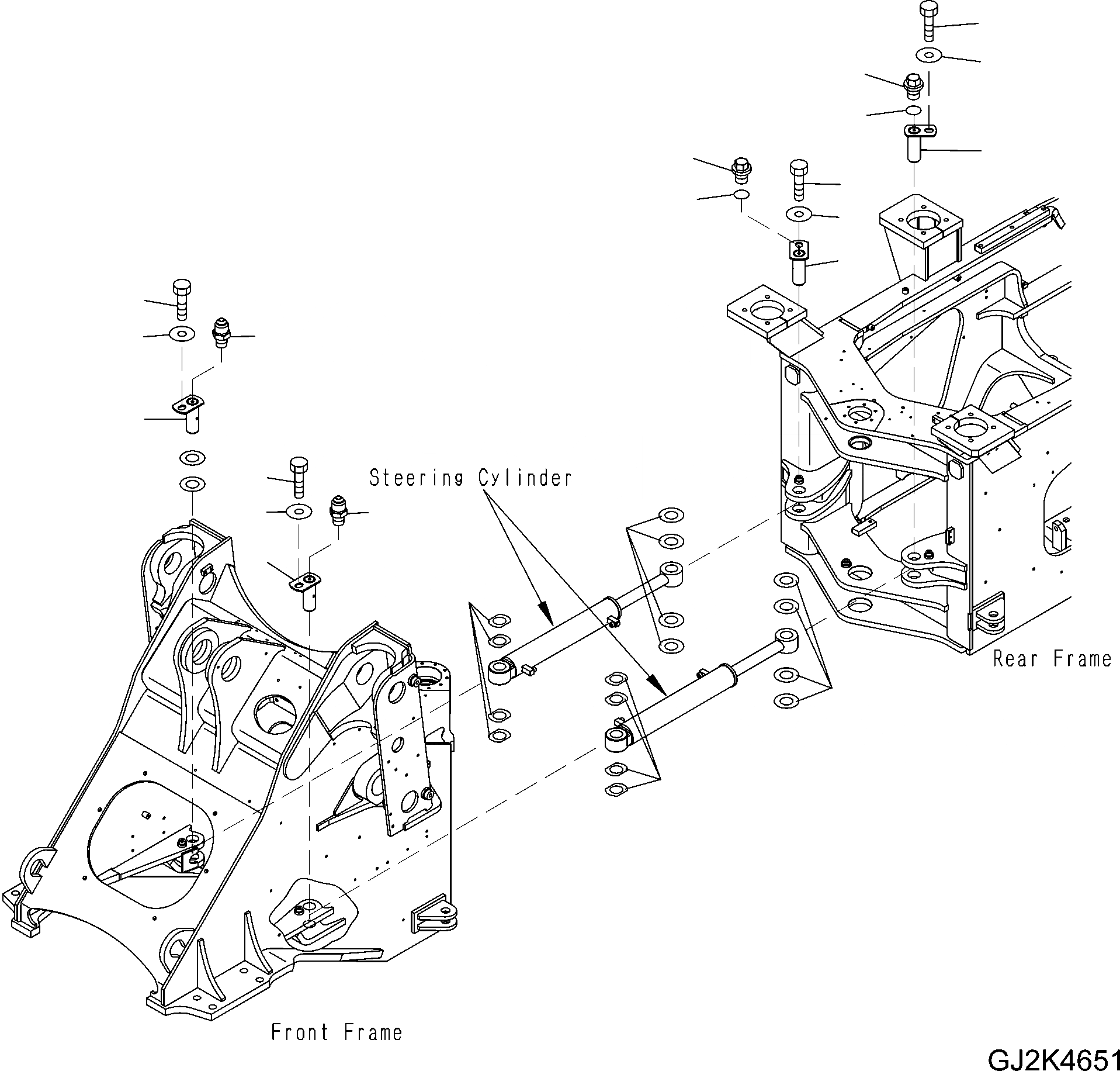
Запчасти Komatsu WA380-6 ЦИЛИНДР РУЛЕВ. УПР-Я (ПАЛЕЦ) J ОСНОВНАЯ РАМА И ЕЕ ЧАСТИ

Схема запчастей Komatsu WA380-6 - ЦИЛИНДР РУЛЕВ. УПР-Я (ПАЛЕЦ) J ОСНОВНАЯ РАМА И ЕЕ ЧАСТИ
3
4
1
6
3
4
1
6
5
5
5
5
7
8
7
8
3
4
2
2
4
3
FIT
1:1
100%

Артикул

Название

Примечание

Количество

1

423-46-21180

PIN

SN: H60051-UP

2шт.

2

423-46-21180

PIN

SN: H60051-UP

2шт.

3

01010-81220

BOLT

SN: H60051-UP

4шт.

4

175-54-34170

WASHER

SN: H60051-UP

4шт.

5

416-70-00070

SHIM ASSEMBLY

SN: H60051-UP

1шт.

5

416-70-11351

SHIM, 1.0MM

SN: H60051-UP

8шт.

5

424-46-12541

SHIM, 0.5MM

SN: H60051-UP

8шт.

5

423-46-22171

SHIM, 1.0MM

SN: H60051-UP

8шт.

5

423-46-22181

SHIM, 0.5MM

SN: H60051-UP

4шт.

6

423-09-12110

CONNECTOR

SN: H60051-UP

2шт.

7

708-8E-16150

PLUG

SN: H60051-UP

2шт.

8

07002-11023

O-RING

SN: H60051-UP

2шт.

Выбрано товаров: 12