Запчасти Komatsu WA380-6 БЛОКИР. ШАНГА И КРЫШКА(КАБИНА И ДВИГАТЕЛЬ НИЖН. КРЫШКА) J ОСНОВНАЯ РАМА И ЕЕ ЧАСТИ

Схема запчастей Komatsu WA380-6 - БЛОКИР. ШАНГА И КРЫШКА(КАБИНА И ДВИГАТЕЛЬ НИЖН. КРЫШКА) J ОСНОВНАЯ РАМА И ЕЕ ЧАСТИ
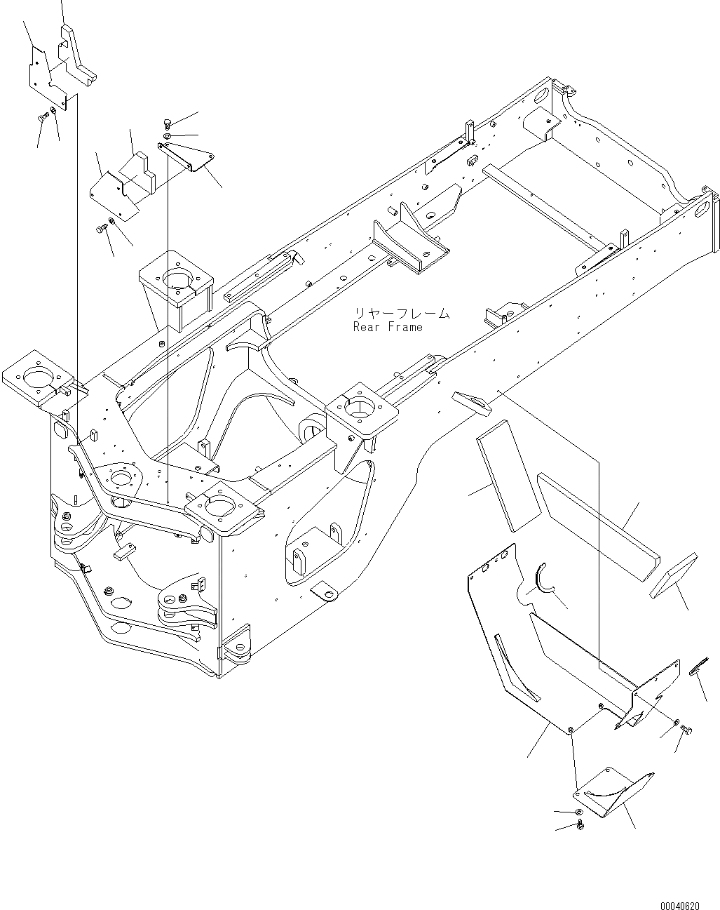
2
5
6
7
1
4
6
7
6
7
3
9
10
11
12
12
13
14
8
17
16
15
FIT
1:1
100%

Артикул

Название

Примечание

Количество

1

423-46-44270

COVER, LHS

SN: H60051-UP

1шт.

2

423-46-44280

COVER, RHS

SN: H60051-UP

1шт.

3

423-46-44290

BRACKET

SN: H60051-UP

1шт.

4

423-54-38410

SHEET

SN: H60051-UP

1шт.

5

423-54-38420

SHEET

SN: H60051-UP

1шт.

6

01010-81020

BOLT

SN: H60051-UP

8шт.

7

01643-31032

WASHER

SN: H60051-UP

8шт.

|$8

423-46-44420

COVER ASSEMBLY

SN: H60051-UP

1шт.

8

0

COVER

SN: H60051-UP

1шт.

9

423-46-34380

SHEET

SN: H60051-UP

1шт.

10

423-46-34390

SHEET

SN: H60051-UP

1шт.

11

423-46-44450

SHEET

SN: H60051-UP

1шт.

12

423-46-44110

FINISHER

SN: H60051-UP

2шт.

13

01010-81225

BOLT

SN: H60051-UP

5шт.

14

01643-31232

WASHER

SN: H60051-UP

5шт.

15

423-46-44430

COVER

SN: H60051-UP

1шт.

16

01010-D1225

BOLT

SN: H60051-UP

4шт.

17

01643-71232

WASHER

SN: H60051-UP

4шт.

Выбрано товаров: 18