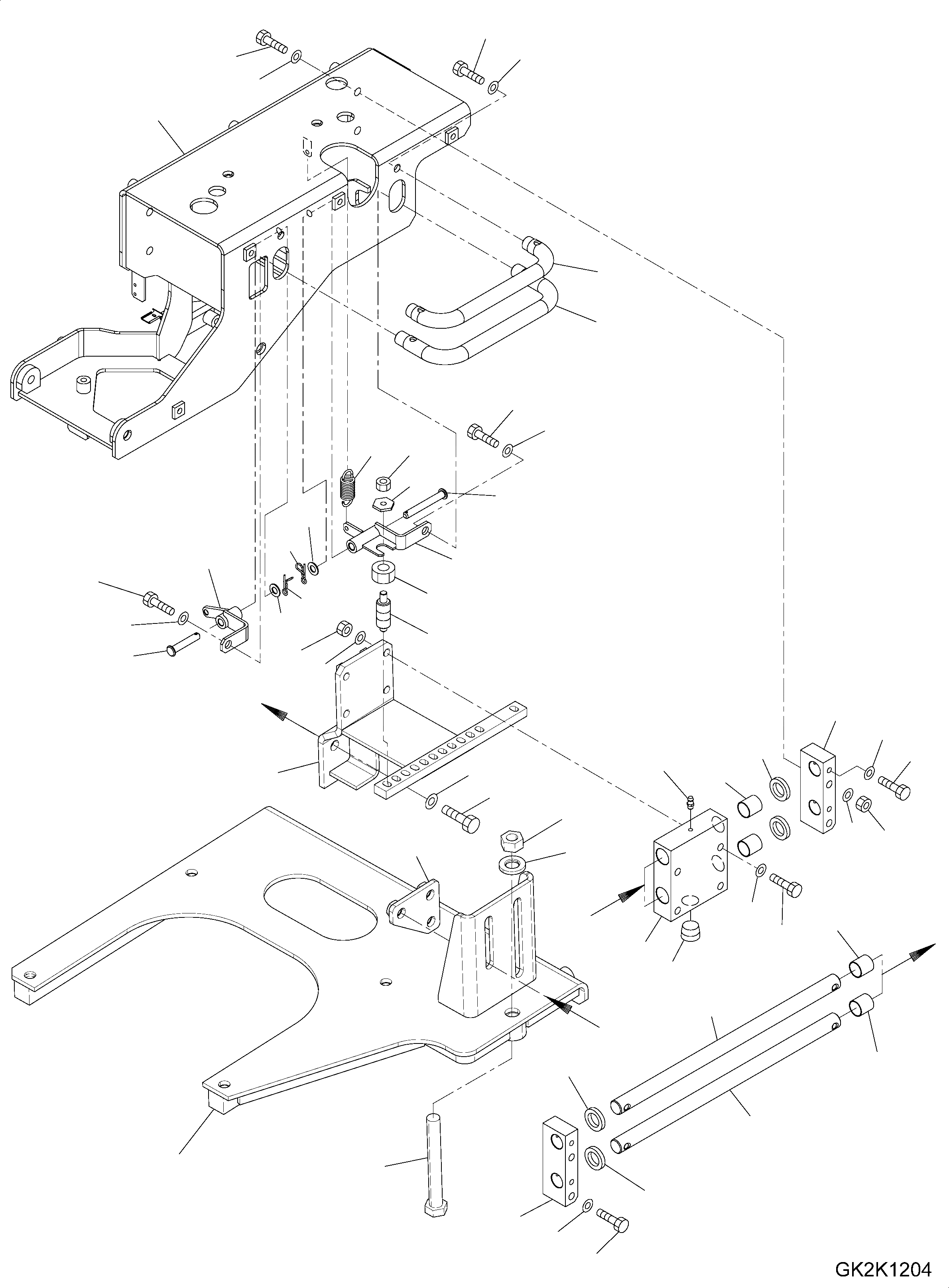
Запчасти Komatsu WA380-6 OPERATORґS СИДЕНЬЕ (КОНСОЛЬ) (ДЛЯ УПРАВЛ-Е ДЖОЙСТИКОМ) (/) (SN H-UP) K OPERATORґS ОБСТАНОВКА И СИСТЕМА УПРАВЛЕНИЯ

Схема запчастей Komatsu WA380-6 - OPERATORґS СИДЕНЬЕ (КОНСОЛЬ) (ДЛЯ УПРАВЛ-Е ДЖОЙСТИКОМ) (/) (SN H-UP) K OPERATORґS ОБСТАНОВКА И СИСТЕМА УПРАВЛЕНИЯ
28
a
a
29
b
19
b
20
17
27
30
31
32
45
44
43
38
39
40
33
37
31
42
36
32
35
41
34
14
13
18
25
26
24
15
10
5
2
4
8
21
3
22
7
12
10
11
9
16
23
26
10
23
6
1
26
18
25
24
FIT
1:1
100%

Артикул

Название

Примечание

Количество

1

421-57-H1310

BRACKET

SN: H61030-UP

1шт.

2

421-57-H1320

BRACKET

SN: H61030-UP

1шт.

3

425-S33-H131

BRACKET

SN: H61030-UP

1шт.

4

01016-51235

BOLT

SN: H61030-UP

3шт.

5

01643-31232

WASHER

SN: H61030-UP

3шт.

6

01017-51630

BOLT

SN: H61030-UP

1шт.

7

01643-31645

WASHER

SN: H61030-UP

1шт.

8

01580-11613

NUT

SN: H61030-UP

1шт.

9

425-S33-3461

GUIDE

SN: H60051-UP

1шт.

10

426-40-32350

BUSHING

SN: H60051-UP

4шт.

11

01010-80850

BOLT

SN: H60051-UP

4шт.

12

01643-30823

WASHER

SN: H60051-UP

4шт.

13

01643-30823

WASHER

SN: H60051-UP

4шт.

14

01580-10806

NUT

SN: H60051-UP

4шт.

15

07020-00001

FITTING, GREASE

SN: H60051-UP

1шт.

16

07043-70415

PLUG

SN: H60051-UP

1шт.

17

425-S33-3311

BRACKET

SN: H60051-UP

1шт.

18

426-40-32481

GUIDE

SN: H60051-UP

2шт.

19

01010-80855

BOLT

SN: H60051-UP

4шт.

20

01643-30823

WASHER

SN: H60051-UP

4шт.

21

01643-30823

WASHER

SN: H60051-UP

4шт.

22

01580-10806

NUT

SN: H60051-UP

4шт.

23

425-S33-3231

ROD

SN: H60051-UP

2шт.

24

01010-80635

BOLT

SN: H60051-UP

4шт.

25

01643-30623

WASHER

SN: H60051-UP

4шт.

26

426-40-32360

PACKING

SN: H60051-UP

4шт.

27

425-S33-3250

HANDLE

SN: H60051-UP

1шт.

28

01010-80820

BOLT

SN: H60051-UP

2шт.

29

01643-30823

WASHER

SN: H60051-UP

2шт.

30

425-S33-3260

HANDLE

SN: H60051-UP

1шт.

31

01010-80820

BOLT

SN: H60051-UP

2шт.

32

01643-30823

WASHER

SN: H60051-UP

2шт.

33

425-S33-3280

LEVER

SN: H60051-UP

1шт.

34

154-61-16930

PIN

SN: H60051-UP

1шт.

35

01641-20812

WASHER

SN: H60051-UP

1шт.

36

04052-20833

SNAP PIN

SN: H60051-UP

1шт.

37

425-S33-3240

LEVER

SN: H60051-UP

1шт.

38

198-911-2550

PIN

SN: H60051-UP

1шт.

39

01641-20812

WASHER

SN: H60051-UP

1шт.

40

04052-20833

SNAP PIN

SN: H60051-UP

1шт.

41

426-43-38250

PLUNGER

SN: H60051-UP

1шт.

42

01583-11610

NUT

SN: H60051-UP

1шт.

43

426-43-38262

NUT

SN: H60051-UP

1шт.

44

01580-10806

NUT

SN: H60051-UP

1шт.

45

112-961-2260

SPRING

SN: H60051-UP

1шт.

Выбрано товаров: 45