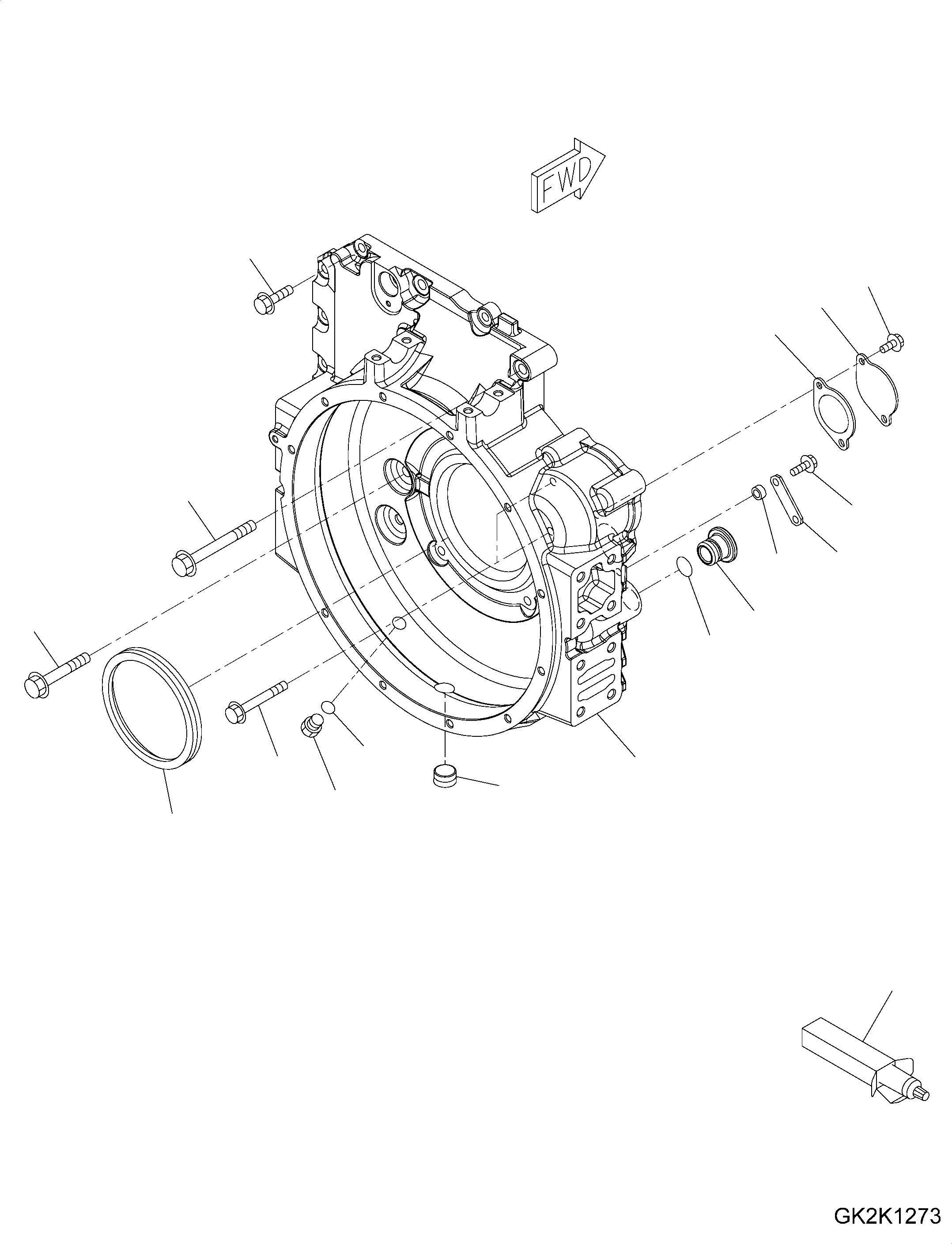
Запчасти Komatsu WA380-6 КАРТЕР МАХОВИКА AA ДВИГАТЕЛЬ

Схема запчастей Komatsu WA380-6 - КАРТЕР МАХОВИКА AA ДВИГАТЕЛЬ
3
12
14
16
1
13
9
10
4
15
11
8
17
2
6
7
5
18
FIT
1:1
100%

Артикул

Название

Примечание

Количество

1

6754-21-4210

SCREW

SN: 21692067-UP

2шт.

2

6731-21-6220

BOLT

SN: 21692067-UP

2шт.

3

6742-01-5504

BOLT

SN: 21692067-UP

10шт.

4

6736-21-5350

BOLT

SN: 21692067-UP

6шт.

5

0

SEAL, OIL

SN: 21692067-UP

6шт.

|$6

6754-22-4111

HOUSING, FLYWHEEL

SN: 21962021-UP

1шт.

|$7

0

HOUSING, FLYWHEEL

SN: 21692067-21962020

1шт.

6

6745-21-4110

PLUG, PIPE

SN: 21962021-UP

1шт.

6

6732-11-1920

PLUG

SN: 21692067-21962020

1шт.

|$10

6735-21-4150

PLUG, THREADED

SN: 21692067-UP

1шт.

7

0

PLUG

SN: 21692067-UP

1шт.

8

6735-21-4160

O-RING

SN: 21692067-UP

1шт.

9

6738-22-5110

BRACE, TUBE

SN: 21692067-UP

1шт.

10

6754-22-5610

SPACER, MOUNTING

SN: 21692067-UP

1шт.

11

6732-21-4161

SEAL

SN: 21692067-UP

1шт.

12

6732-21-3120

BOLT

SN: 21692067-UP

1шт.

13

6732-21-6630

BOLT

SN: 21692067-UP

1шт.

14

6732-21-4130

COVER

SN: 21692067-UP

1шт.

15

6732-21-4150

PLUG

SN: 21692067-UP

1шт.

16

6742-01-5158

GASKET, COVER PLATE

SN: 21692067-UP

1шт.

17

6754-21-4122

HOUSING, FLYWHEEL

SN: 21962021-UP

1шт.

17

0

HOUSING, FLYWHEEL

SN: 21729779-21962020

1шт.

17

0

HOUSING, FLYWHEEL

SN: 21692067-21729778

1шт.

18

09920-00150

LIQUID GASKET, LG-7, 150G

SN: 21692067-UP

-26шт.

KIT

6736-21-4221

KIT, REAR CRANK SEAL

SN: 21692067-UP

1шт.

5

0

SEAL, OIL

SN: 21692067-UP

1шт.

|$27

0

TOOL, SEAL INSTALLATION

SN: 21692067-UP

1шт.

|$28

0

TOOL, SEAL INSTALLATION

SN: 21692067-UP

1шт.

Выбрано товаров: 28