Запчасти Komatsu WA380-6 12В КОНВЕРТЕР K OPERATORґS ОБСТАНОВКА И СИСТЕМА УПРАВЛЕНИЯ

Схема запчастей Komatsu WA380-6 - 12В КОНВЕРТЕР K OPERATORґS ОБСТАНОВКА И СИСТЕМА УПРАВЛЕНИЯ
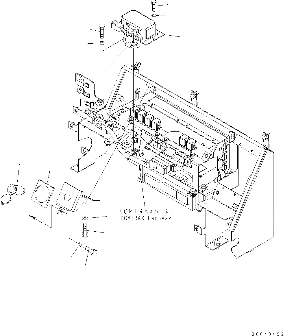
1
2
3
10
11
9
4
8
5
7
6
7
6
a
a
FIT
1:1
100%

Артикул

Название

Примечание

Количество

1

22U-06-22251

CONVERTER

SN: H60051-UP

1шт.

2

01010-80616

BOLT

SN: H60051-UP

2шт.

3

01643-30623

WASHER

SN: H60051-UP

2шт.

4

198-Z11-2640

SOCKET

SN: H60051-UP

1шт.

4

22U-00-21511

PLATE, 12VOLT SOCKET, (NOT SHOWN)

SN: H60051-UP

1шт.

5

423-06-42611

BRACKET

SN: H60051-UP

1шт.

6

01010-81020

BOLT

SN: H60051-UP

2шт.

7

01643-31032

WASHER

SN: H60051-UP

2шт.

8

423-06-42871

SHEET

SN: H60051-UP

1шт.

9

04434-50810

CLIP

SN: H60051-UP

1шт.

10

01010-81020

BOLT

SN: H60051-UP

1шт.

11

01643-31032

WASHER

SN: H60051-UP

1шт.

Выбрано товаров: 12