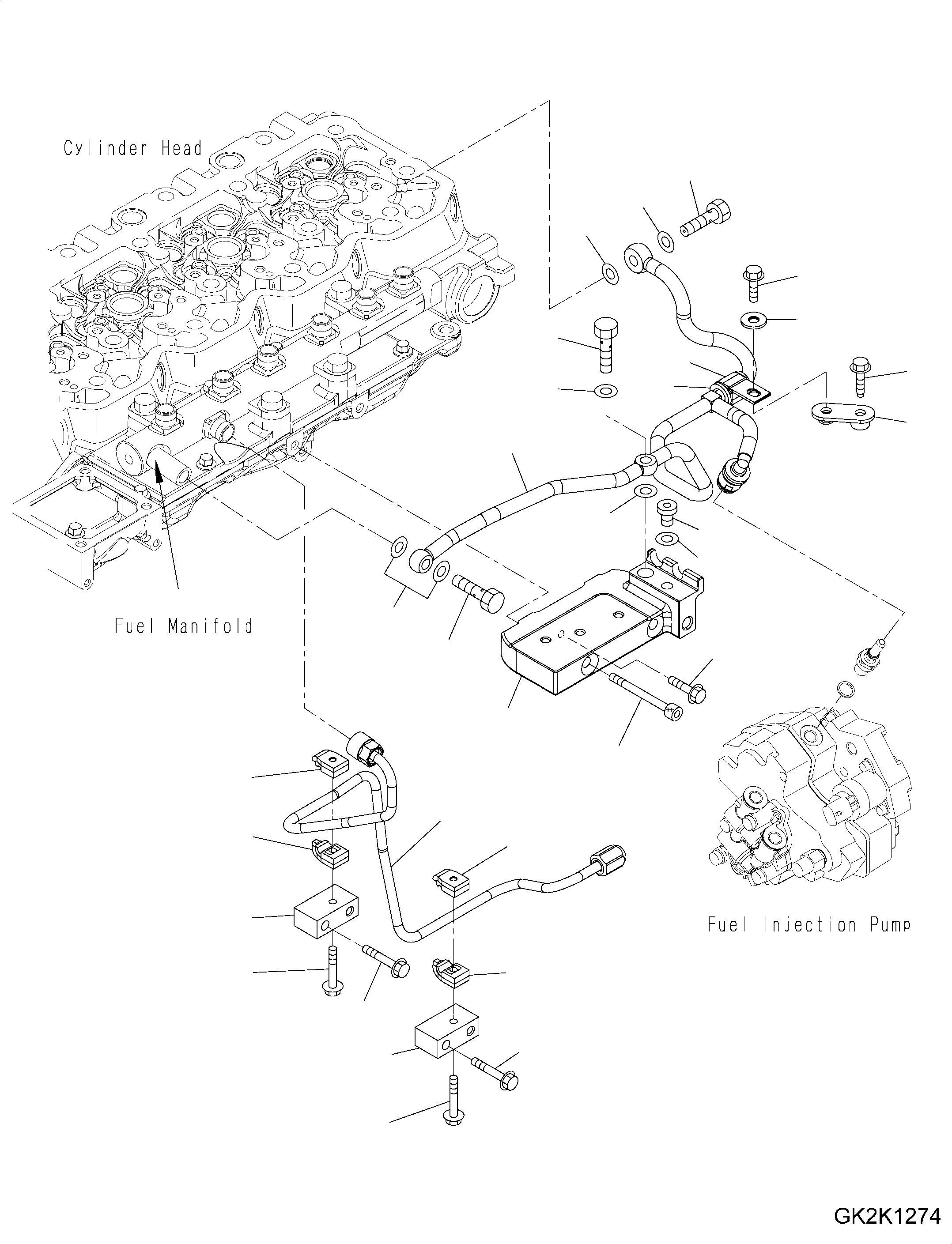
Запчасти Komatsu WA380-6 ТОПЛИВОПРОВОД. КРЕПЛЕНИЕ AA ДВИГАТЕЛЬ

Схема запчастей Komatsu WA380-6 - ТОПЛИВОПРОВОД. КРЕПЛЕНИЕ AA ДВИГАТЕЛЬ
14
12
14
14
5
4
10
2
9
3
14
1
15
14
16
13
6
12
11
8
18
20
17
18
21
17
19
7
7
21
19
FIT
1:1
100%

Артикул

Название

Примечание

Количество

1

6754-71-5450

BRACKET

SN: 21692067-UP

1шт.

2

04434-51708

CLIP

SN: 21692067-UP

1шт.

3

07095-20211

CUSHION

SN: 21692067-UP

1шт.

4

154-61-16570

WASHER

SN: 21692067-UP

1шт.

5

6732-21-3120

BOLT

SN: 21692067-UP

1шт.

6

6732-61-6140

BOLT

SN: 21692067-UP

1шт.

7

6732-61-3110

BOLT

SN: 21692067-UP

2шт.

8

6736-81-8730

BOLT

SN: 21692067-UP

2шт.

9

6732-21-6630

BOLT

SN: 21692067-UP

1шт.

10

6732-71-6510

BOLT, JOINT

SN: 21692067-UP

2шт.

11

6754-71-5410

CONNECTOR

SN: 21692067-UP

1шт.

12

6754-71-5430

VALVE

SN: 21692067-UP

1шт.

13

6731-74-5910

WASHER, SEALING

SN: 21692067-UP

1шт.

14

6745-71-1130

WASHER, SEALING

SN: 21692067-UP

12шт.

15

6754-71-5421

TUBE

SN: 21962021-UP

1шт.

15

6754-71-5420

TUBE

SN: 21692067-21962020

1шт.

16

6754-71-5150

PLUG

SN: 21692067-UP

1шт.

|$18

6754-71-5120

TUBE

SN: 21692067-UP

1шт.

17

6217-71-6670

CLAMP

SN: 21692067-UP

2шт.

18

6217-71-6660

CLAMP

SN: 21692067-UP

2шт.

19

6733-71-5830

BOLT

SN: 21692067-UP

2шт.

20

6754-71-5130

TUBE

SN: 21692067-UP

1шт.

21

6754-71-5140

PLATE

SN: 21692067-UP

2шт.

Выбрано товаров: 23