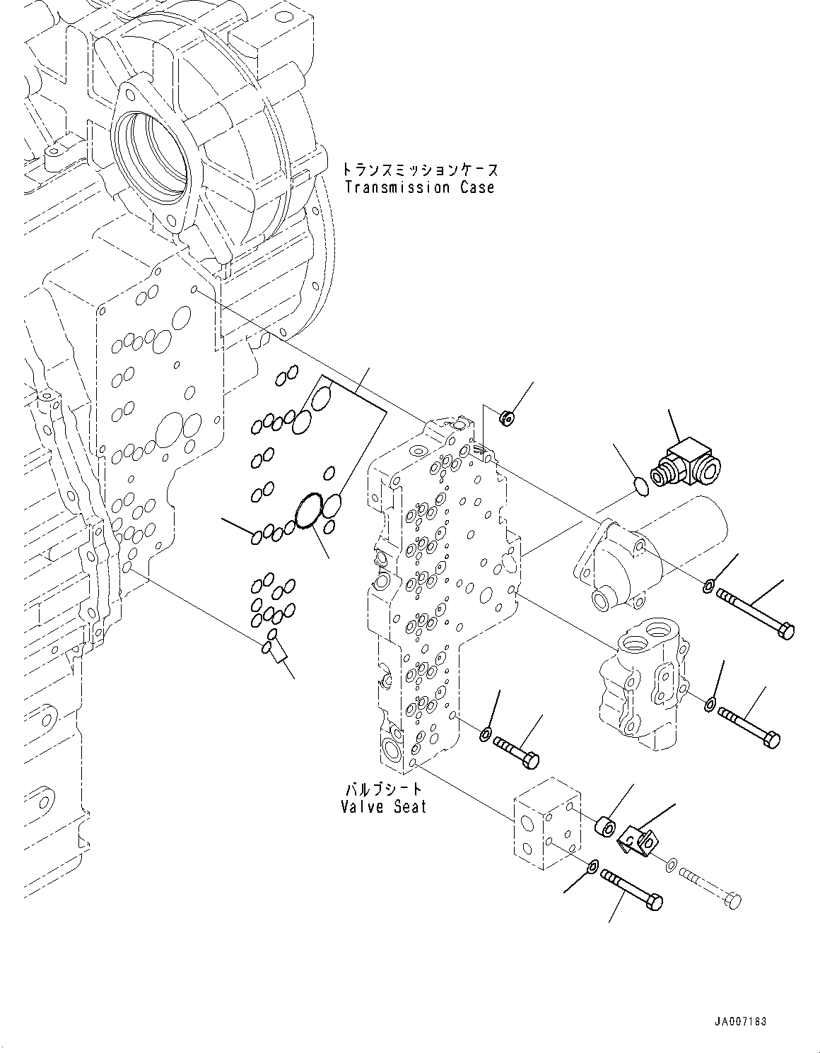
Запчасти Komatsu WA380-7 ГИДРОТРАНСФОРМАТОР И ТРАНСМИССИЯ, КЛАПАН КОМПОНЕНТЫ ГИДРОТРАНСФОРМАТОР И ТРАНСМИССИЯ

Схема запчастей Komatsu WA380-7 - ГИДРОТРАНСФОРМАТОР И ТРАНСМИССИЯ, КЛАПАН КОМПОНЕНТЫ ГИДРОТРАНСФОРМАТОР И ТРАНСМИССИЯ
1
2
3
4
5
8
9
10
11
12
13
14
15
16
17
6
7
FIT
1:1
100%

Артикул

Название

Примечание

Количество

|$0

714-12-40010

Transmission Assembly

SN: 10001-UP

1шт.

|$1

714-12-45010

Valve Assembly, Transmission Control

SN: 10001-UP

1шт.

1

714-07-35180

Orifice

SN: 10001-UP

2шт.

2

421-06-31351

Plate

SN: 10001-UP

1шт.

3

195-01-14540

Collar

SN: 10001-UP

1шт.

4

207-62-72131

Elbow

SN: 10001-UP

1шт.

5

07002-62434

O-Ring, (Kit : K02)

SN: 10001-UP

1шт.

6

01010-81060

Bolt

SN: 10001-UP

6шт.

7

01643-31032

Washer

SN: 10001-UP

6шт.

8

01011-81025

Bolt

SN: 10001-UP

1шт.

9

01643-31032

Washer

SN: 10001-UP

1шт.

10

01011-81035

Bolt

SN: 10001-UP

2шт.

11

01643-31032

Washer

SN: 10001-UP

2шт.

12

01011-81015

Bolt

SN: 10001-UP

1шт.

13

01643-31032

Washer

SN: 10001-UP

1шт.

14

07000-73028

O-Ring, (Kit : K01)

SN: 10001-UP

3шт.

15

07000-72015

O-Ring, (Kit : K01)

SN: 10001-UP

25шт.

16

07000-72012

O-Ring, (Kit : K01)

SN: 10001-UP

2шт.

17

07000-73045

O-Ring, (Kit : K01)

SN: 10001-UP

1шт.

Выбрано товаров: 19