Запчасти Komatsu WA380-7 ГИДРАВЛ УПРАВЛЯЮЩ. КЛАПАН, С 3-Х СЕКЦ. КОНТР. КЛАПАНОМ, ПОДАЮЩ. ТРУБЫ ГИДРАВЛ УПРАВЛЯЮЩ. КЛАПАН, С 3-Х СЕКЦ. КОНТР. КЛАПАНОМ

Схема запчастей Komatsu WA380-7 - ГИДРАВЛ УПРАВЛЯЮЩ. КЛАПАН, С 3-Х СЕКЦ. КОНТР. КЛАПАНОМ, ПОДАЮЩ. ТРУБЫ ГИДРАВЛ УПРАВЛЯЮЩ. КЛАПАН, С 3-Х СЕКЦ. КОНТР. КЛАПАНОМ
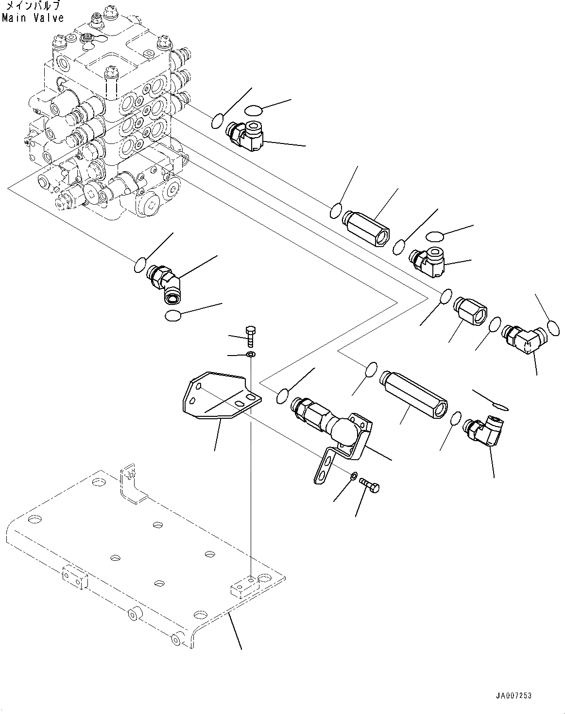
1
2
3
4
5
6
7
5
6
7
8
9
10
11
12
13
14
15
18
19
16
17
23
22
20
23
21
22
24
FIT
1:1
100%

Артикул

Название

Примечание

Количество

1

423-62-34460

Joint

SN: 10001-UP

1шт.

2

07000-B3024

O-Ring

SN: 10001-UP

1шт.

3

423-62-43120

Joint

SN: 10001-UP

1шт.

4

07000-B3024

O-Ring

SN: 10001-UP

1шт.

5

02782-10628

Elbow

SN: 10001-UP

2шт.

6

07002-62434

O-Ring

SN: 10001-UP

2шт.

7

02896-61018

O-Ring

SN: 10001-UP

2шт.

8

02782-10628

Elbow

SN: 10001-UP

1шт.

9

07002-62434

O-Ring

SN: 10001-UP

1шт.

10

02896-61018

O-Ring

SN: 10001-UP

1шт.

11

423-62-36940

Joint

SN: 10001-UP

1шт.

12

07000-B3024

O-Ring

SN: 10001-UP

1шт.

13

423-62-43411

Elbow

SN: 10001-UP

1шт.

14

07000-B3024

O-Ring

SN: 10001-UP

1шт.

15

423-62-52570

Bracket

SN: 10001-UP

1шт.

16

01010-81020

Bolt

SN: 10001-UP

2шт.

17

01643-31032

Washer

SN: 10001-UP

2шт.

18

01010-81025

Bolt

SN: 10001-UP

2шт.

19

01643-31032

Washer

SN: 10001-UP

2шт.

20

423-62-34470

Elbow

SN: 10001-UP

1шт.

21

423-877-4230

Elbow

SN: 10001-UP

1шт.

22

02896-61018

O-Ring

SN: 10001-UP

2шт.

23

07000-B3024

O-Ring

SN: 10001-UP

2шт.

24

423-64-55120

Bracket

-1шт.

Выбрано товаров: 0