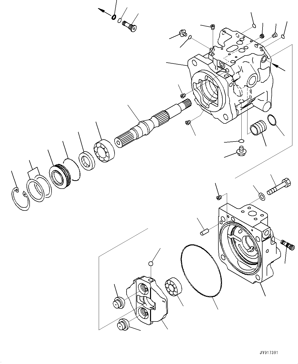
Запчасти Komatsu WA380-7 ГИДР. НАСОС., НАСОС РУЛЕВ. УПРАВЛ-Я (/) ГИДР. НАСОС.

Схема запчастей Komatsu WA380-7 - ГИДР. НАСОС., НАСОС РУЛЕВ. УПРАВЛ-Я (/) ГИДР. НАСОС.
2
2
23
1
2
5
6
7
8
9
10
12
13
14
18
16
17
19
21
23
24
25
26
27
28
29
30
32
31
3
4
11
2
15
20
22
a
a
FIT
1:1
100%

Артикул

Название

Примечание

Количество

|$0

708-1U-00230

Pump Assembly

SN: 10001-UP

1шт.

|$1

708-1U-01230

Pump Subassembly

SN: 10001-UP

1шт.

|$2

708-1U-04240

Case Assembly

SN: 10001-UP

1шт.

1

Case

SN: 10001-UP

1шт.

2

Plug

SN: 10001-UP

9шт.

3

Sleeve

SN: 10001-UP

1шт.

4

Ring

SN: 10001-UP

1шт.

5

708-8E-16160

Plug

SN: 10001-UP

1шт.

6

07002-61023

O-Ring

SN: 10001-UP

1шт.

7

07040-11409

Plug

SN: 10001-UP

1шт.

8

07002-61423

O-Ring

SN: 10001-UP

1шт.

9

708-1W-49170

O-Ring

SN: 10001-UP

1шт.

10

07000-B1009

O-Ring

SN: 10001-UP

2шт.

11

708-1L-29340

Orifice

SN: 10001-UP

1шт.

12

04020-01024

Pin, Dowel

SN: 10001-UP

1шт.

13

01010-61470

Bolt

SN: 10001-UP

4шт.

14

01643-31445

Washer

SN: 10001-UP

4шт.

15

07000-B1009

O-Ring

SN: 10001-UP

1шт.

15

708-1W-04320

Filter Assembly

SN: 10001-UP

1шт.

16

Seal

SN: 10001-UP

1шт.

17

Filter

SN: 10001-UP

1шт.

18

07002-61423

O-Ring

SN: 10001-UP

1шт.

|$22

708-1U-04250

Cap Subassembly

SN: 10001-UP

1шт.

19

Cap, End

SN: 10001-UP

1шт.

20

Plug

SN: 10001-UP

1шт.

21

708-1W-42120

Bearing

SN: 10001-UP

1шт.

22

708-1W-04290

Valve, Shuttle

SN: 10001-UP

1шт.

23

708-1U-13461

Ball, Retainer

SN: 10001-UP

2шт.

24

708-1U-13470

Cam, Rocker

SN: 10001-UP

1шт.

25

04260-01270

Ball

SN: 10001-UP

1шт.

26

708-1W-42150

Shaft

SN: 10001-UP

1шт.

27

708-1W-42110

Bearing

SN: 10001-UP

1шт.

28

708-1W-42140

Case

SN: 10001-UP

1шт.

29

708-1W-42130

Seal, Oil

SN: 10001-UP

1шт.

30

07000-B2060

O-Ring

SN: 10001-UP

1шт.

31

708-1W-05821

Spacer Kit

SN: 10001-UP

1шт.

31

Spacer, T=2.5mm

SN: 10001-UP

1шт.

31

Spacer, T=2.55mm

SN: 10001-UP

1шт.

31

Spacer, T=2.6mm

SN: 10001-UP

1шт.

31

Spacer, T=2.65mm

SN: 10001-UP

1шт.

31

Spacer, T=2.7mm

SN: 10001-UP

1шт.

31

Spacer, T=2.75mm

SN: 10001-UP

1шт.

31

Spacer, T=2.8mm

SN: 10001-UP

1шт.

31

Spacer, T=2.85mm

SN: 10001-UP

1шт.

31

Spacer, T=2.9mm

SN: 10001-UP

1шт.

32

04065-06825

Ring, Snap

SN: 10001-UP

1шт.

Выбрано товаров: 46