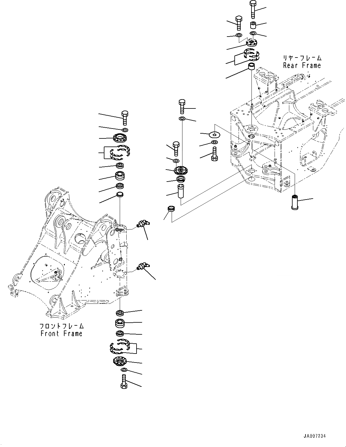
Запчасти Komatsu WA380-7 СОЧЛ. СОЕД. БЛОКИР. BAR И РАМА COVER, С 2-Х СЕКЦИОНН. УПРАВЛЯЮЩ. КЛАПАН, СИЛОВАЯ ПЕРЕДАЧА ЧАСТИ КОРПУСА, ПЕРЕДН. COVER СОЧЛ. СОЕД. БЛОКИР. BAR И РАМА COVER, С 2-Х СЕКЦИОНН. УПРАВЛЯЮЩ. КЛАПАН, СИЛОВАЯ ПЕРЕДАЧА ЧАСТИ КОРПУСА

Схема запчастей Komatsu WA380-7 - СОЧЛ. СОЕД. БЛОКИР. BAR И РАМА COVER, С 2-Х СЕКЦИОНН. УПРАВЛЯЮЩ. КЛАПАН, СИЛОВАЯ ПЕРЕДАЧА ЧАСТИ КОРПУСА, ПЕРЕДН. COVER СОЧЛ. СОЕД. БЛОКИР. BAR И РАМА COVER, С 2-Х СЕКЦИОНН. УПРАВЛЯЮЩ. КЛАПАН, СИЛОВАЯ ПЕРЕДАЧА ЧАСТИ КОРПУС
8
7
6
9
9
4
3
2
1
5
3
2
13
14
16
15
10
13
14
12
11
17
18
FIT
1:1
100%

Артикул

Название

Примечание

Количество

1

421-46-12920

Bar

SN: 10001-UP

1шт.

2

421-46-12721

Pin

SN: 10001-UP

2шт.

3

04025-01065

Pin, Spring

SN: 10001-UP

1шт.

4

04025-01065

Pin, Spring

SN: 10001-UP

1шт.

5

421-46-12740

Pin, Linch

SN: 10001-UP

1шт.

6

423-46-44170

Cover

SN: 10001-UP

1шт.

7

01010-D1230

Bolt

SN: 10001-UP

6шт.

8

01643-71232

Washer

SN: 10001-UP

6шт.

9

421-09-21420

Sheet

SN: 10001-UP

6шт.

10

423-S95-7930

Cover

SN: 10001-UP

1шт.

11

423-46-34370

Sheet

SN: 10001-UP

1шт.

12

423-S95-7250

Sheet

SN: 10001-UP

1шт.

13

01010-D1020

Bolt

SN: 10001-UP

10шт.

14

01643-71032

Washer

SN: 10001-UP

10шт.

15

416-54-14760

Finisher

SN: 10001-UP

1шт.

16

423-S95-8470

Cover

SN: 10001-UP

1шт.

17

423-S95-8490

Sheet

SN: 10001-UP

1шт.

18

423-46-34350

Sheet

SN: 10001-UP

1шт.

Выбрано товаров: 18