Запчасти Komatsu WA380-7 КАБИНА ROPS И ОСНОВН. КОНСТРУКЦИЯ ГРУППА, ТОРМОЗНОЙ КЛАПАН КАБИНА ROPS И ОСНОВН. КОНСТРУКЦИЯ ГРУППА

Схема запчастей Komatsu WA380-7 - КАБИНА ROPS И ОСНОВН. КОНСТРУКЦИЯ ГРУППА, ТОРМОЗНОЙ КЛАПАН КАБИНА ROPS И ОСНОВН. КОНСТРУКЦИЯ ГРУППА
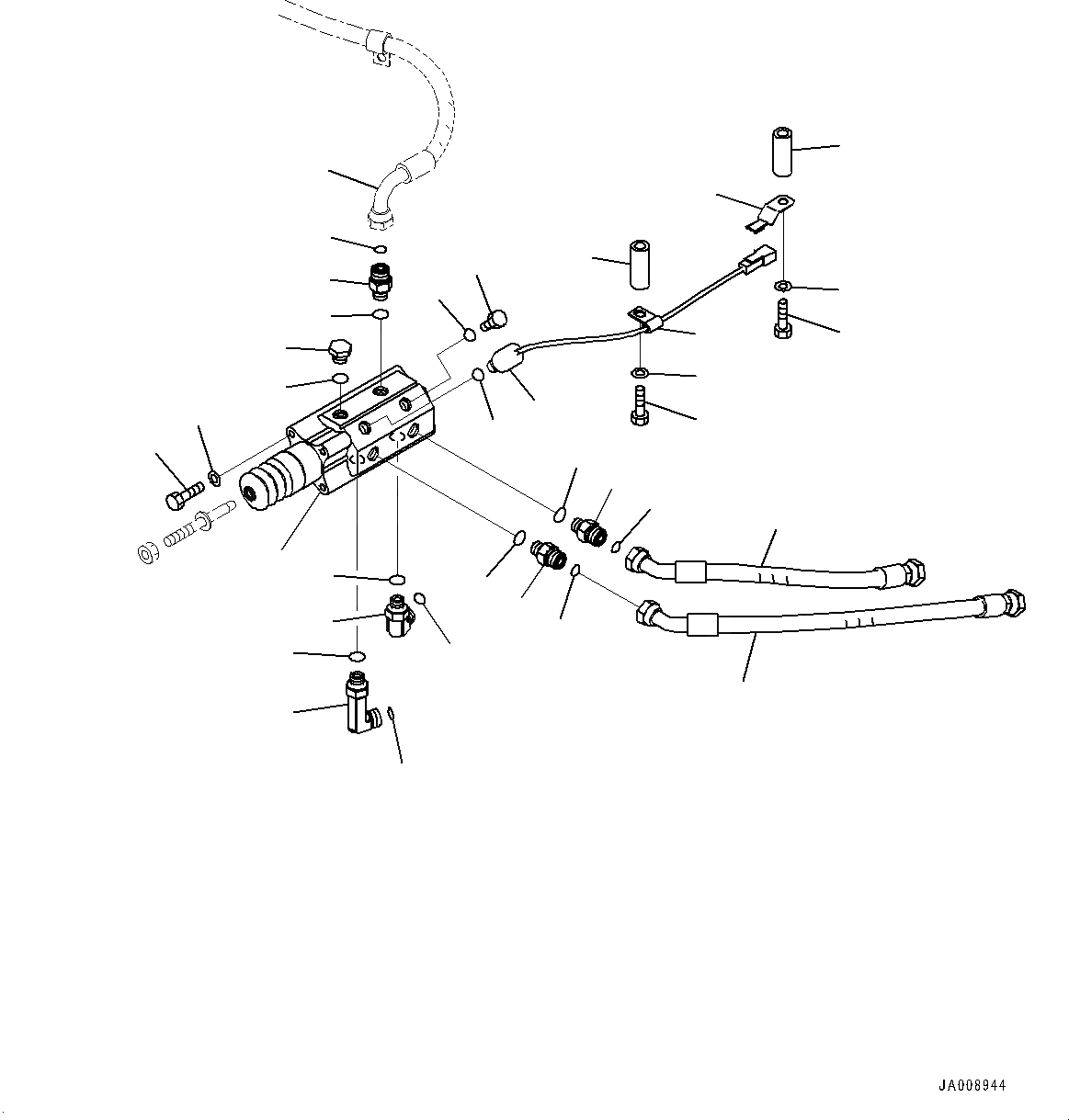
1
2
3
4
5
8
9
12
13
14
15
16
18
19
20
8
7
10
11
8
9
5
8
9
21
9
6
8
9
17
22
24
25
23
26
FIT
1:1
100%

Артикул

Название

Примечание

Количество

1

423-43-47103

Valve, Brake

SN: 10001-UP

1шт.

2

01016-50825

Bolt

SN: 10001-UP

4шт.

3

01643-30823

Washer

SN: 10001-UP

4шт.

4

423-43-37270

Union

SN: 10001-UP

1шт.

5

423-43-37270

Union

SN: 10001-UP

2шт.

6

423-43-37260

Elbow

SN: 10001-UP

1шт.

7

423-43-47250

Elbow

SN: 10001-UP

1шт.

8

07002-11623

O-Ring

SN: 10001-UP

5шт.

9

02896-11012

O-Ring

SN: 10001-UP

5шт.

10

418-43-37230

Switch, Pressure

SN: 10001-UP

1шт.

11

07002-11423

O-Ring

SN: 10001-UP

1шт.

12

07040-11612

Plug

SN: 10001-UP

1шт.

13

07002-11623

O-Ring

SN: 10001-UP

1шт.

14

04434-50610

Clip

SN: 10001-UP

1шт.

15

01010-81070

Bolt

SN: 10001-UP

1шт.

16

01643-31032

Washer

SN: 10001-UP

1шт.

17

423-54-55380

Spacer

SN: 10001-UP

1шт.

18

07040-11409

Plug

SN: 10001-UP

1шт.

19

07002-11423

O-Ring

SN: 10001-UP

1шт.

20

423-43-51150

Hose

SN: 10001-UP

1шт.

21

423-43-51160

Hose

SN: 10001-UP

1шт.

22

08193-20010

Clip

SN: 10001-UP

1шт.

23

423-54-55380

Spacer

SN: 10001-UP

1шт.

24

01010-81070

Bolt

SN: 10001-UP

1шт.

25

01643-31032

Washer

SN: 10001-UP

1шт.

26

423-43-51250

Hose

-1шт.

Выбрано товаров: 26