Запчасти Komatsu WA380-7 ЗАДН. КРЫЛО, HINGE И БЛОКИР., ЛЕВ. (№-) ЗАДН. КРЫЛО, ДЛЯ СТРАН ЕСКАНАТ СПЕЦ-ЯIFICATION

Схема запчастей Komatsu WA380-7 - ЗАДН. КРЫЛО, HINGE И БЛОКИР., ЛЕВ. (№-) ЗАДН. КРЫЛО, ДЛЯ СТРАН ЕСКАНАТ СПЕЦ-ЯIFICATION
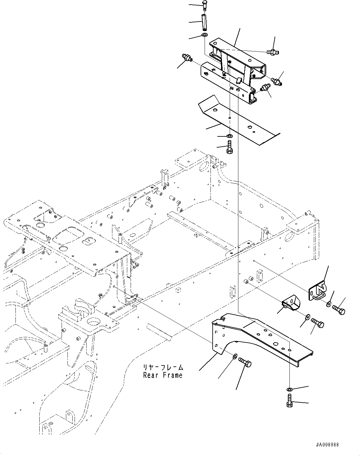
1
2
3
5
6
15
14
13
7
8
2
2
2
4
12
17
16
9
11
10
11
10
FIT
1:1
100%

Артикул

Название

Примечание

Количество

1

423-54-54570

Hinge

SN: 10001-UP

1шт.

2

07020-00001

Fitting, Grease

SN: 10001-UP

4шт.

3

423-54-55260

Bar

SN: 10001-UP

1шт.

4

20U-70-21770

Bolt

SN: 10001-UP

1шт.

5

01643-31032

Washer

SN: 10001-UP

1шт.

6

423-54-55790

Cover

SN: 10001-UP

1шт.

7

01010-81025

Bolt

SN: 10001-UP

2шт.

8

01643-31032

Washer

SN: 10001-UP

2шт.

9

423-54-54890

Bracket

SN: 10001-UP

1шт.

10

01010-D1235

Bolt

SN: 10001-UP

10шт.

11

01643-71232

Washer

SN: 10001-UP

10шт.

12

423-54-54450

Bracket

SN: 10001-UP

1шт.

13

01010-D1225

Bolt

SN: 10001-UP

2шт.

14

421-03-31590

Washer

SN: 10001-UP

2шт.

15

423-54-54672

Bracket

SN: 10001-UP

1шт.

16

01010-D1225

Bolt

SN: 10001-UP

2шт.

17

421-03-31590

Washer

SN: 10001-UP

2шт.

Выбрано товаров: 17