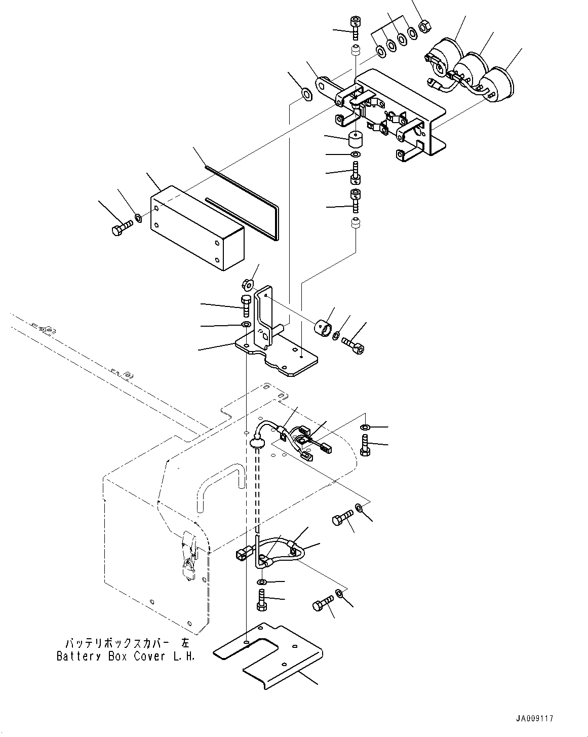
Запчасти Komatsu WA380-7 КОРПУС АККУМУЛЯТОРА, ЗАДН. ФОНАРИ (/) (№7-) КОРПУС АККУМУЛЯТОРА, С ЗАДН. ФОНАРИ ДЛЯ STVZO СПЕЦ-ЯIFICATION, LICENSE ПЛАСТИНА ОСВЕЩЕНИЕ ДЛЯ СТРАН ЕСКАНАТ СПЕЦ-ЯIFICATION

Схема запчастей Komatsu WA380-7 - КОРПУС АККУМУЛЯТОРА, ЗАДН. ФОНАРИ (/) (№7-) КОРПУС АККУМУЛЯТОРА, С ЗАДН. ФОНАРИ ДЛЯ STVZO СПЕЦ-ЯIFICATION, LICENSE ПЛАСТИНА ОСВЕЩЕНИЕ ДЛЯ СТРАН ЕСКАНАТ СПЕЦ-ЯIFICATION
1
3
2
4
4
5
7
5
6
8
7
9
11
10
12
13
14
16
15
17
17
18
19
20
21
26
25
22
23
21
23
22
21
24
25
26
27
28
FIT
1:1
100%

Артикул

Название

Примечание

Количество

1

423-06-51770

Bracket

SN: 10157-UP

1шт.

2

01010-D1030

Bolt

SN: 10157-UP

4шт.

3

01643-71032

Washer

SN: 10157-UP

4шт.

4

424-06-H3190

Positioner

SN: 10157-UP

2шт.

5

01640-20610

Washer

SN: 10157-UP

2шт.

6

421-00-H1290

Nut

SN: 10157-UP

1шт.

7

01252-A0625

Bolt, Hexagon Socket Head

SN: 10157-UP

2шт.

8

01252-A0616

Bolt

SN: 10157-UP

1шт.

9

01252-A0620

Bolt, Hexagon Socket Head

SN: 10157-UP

1шт.

10

42Y-06-H3E20

Washer

SN: 10157-UP

1шт.

11

42Y-06-H3E10

Washer

SN: 10157-UP

4шт.

12

421-00-H1340

Nut

SN: 10157-UP

1шт.

13

423-06-51780

Bracket

SN: 10157-UP

1шт.

14

423-06-51820

Cover

SN: 10157-UP

1шт.

15

01010-D1020

Bolt

SN: 10157-UP

4шт.

16

01643-71032

Washer

SN: 10157-UP

4шт.

17

423-06-54141

Lamp Assembly, Back-up

SN: 10157-UP

1шт.

17

423-06-54260

Lens, Clear

SN: 10157-UP

1шт.

18

56D-06-34150

Lamp Assembly, Tail

SN: 10157-UP

1шт.

19

423-06-54242

Lamp Assembly, Turn Signal

SN: 10157-UP

1шт.

19

424-06-43330

Bulb, 21watt

SN: 10157-UP

1шт.

19

423-06-54281

Lens, Orange

SN: 10157-UP

1шт.

20

423-06-52540

Wiring Harness

SN: 10157-UP

1шт.

21

04434-51012

Clip

SN: 10157-UP

3шт.

22

01010-81020

Bolt

SN: 10157-UP

2шт.

23

01643-31032

Washer

SN: 10157-UP

2шт.

24

04434-50612

Clip

SN: 10157-UP

1шт.

25

01010-D1016

Bolt

SN: 10157-UP

2шт.

26

01643-71032

Washer

SN: 10157-UP

2шт.

27

423-06-51790

Seal

SN: 10157-UP

1шт.

28

423-06-58380

Plate

SN: 10157-UP

1шт.

Выбрано товаров: 0