Запчасти Komatsu WA380-7 КОМПОНЕНТЫ ДВИГАТЕЛЯ, KOMATSU ЗАКРЫТ.D CRANKКОРПУС ВЕНТИЛЯТОРILATION (KCCV) ТРУБЫ (/) (№8-) КОМПОНЕНТЫ ДВИГАТЕЛЯ, ХОЛОДН. AREA СПЕЦ-ЯIFICATION A (- DEG C), С AMP. ГЕНЕРАТОР, KOMTRAX

Схема запчастей Komatsu WA380-7 - КОМПОНЕНТЫ ДВИГАТЕЛЯ, KOMATSU ЗАКРЫТ.D CRANKКОРПУС ВЕНТИЛЯТОРILATION (KCCV) ТРУБЫ (/) (№8-) КОМПОНЕНТЫ ДВИГАТЕЛЯ, ХОЛОДН. AREA СПЕЦ-ЯIFICATION A (- DEG C), С AMP. ГЕНЕРАТОР, KOMTRAX
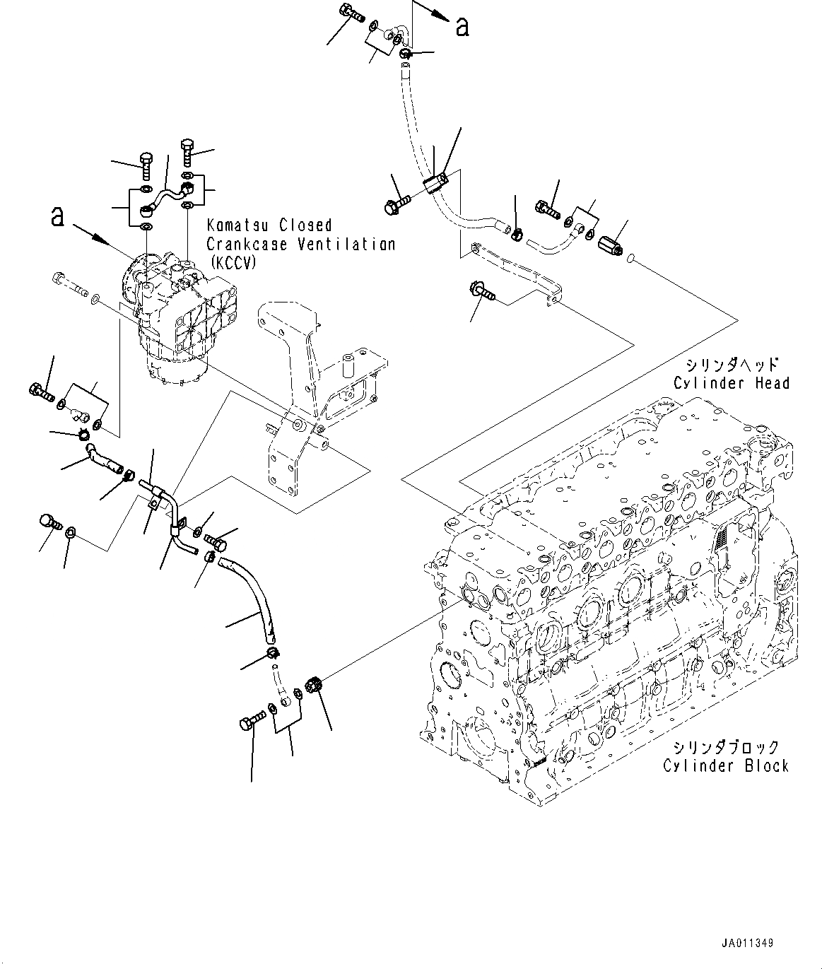
1
2
3
4
5
6
7
8
9
10
11
12
13
14
15
16
17
18
19
20
21
22
23
24
25
26
27
28
3
2
20
24
22
14
FIT
1:1
100%

Артикул

Название

Примечание

Количество

1

600-331-1950

Tube

SN: 10081-10108

1шт.

2

07206-30812

Bolt, Joint

SN: 10081-10108

2шт.

3

07005-01212

Seal, Washer

SN: 10081-10108

4шт.

4

07206-30812

Bolt, Joint

SN: 10081-UP

1шт.

5

07005-01212

Seal, Washer

SN: 10081-UP

2шт.

6

07206-30812

Bolt, Joint

SN: 10081-UP

1шт.

7

07005-01212

Seal, Washer

SN: 10081-UP

2шт.

8

07206-30812

Bolt, Joint

SN: 10081-UP

1шт.

9

07005-01212

Seal, Washer

SN: 10081-UP

2шт.

10

07206-30812

Bolt, Joint

SN: 10081-UP

1шт.

11

07005-01212

Seal, Washer

SN: 10081-UP

2шт.

12

6755-21-7220

Plug

SN: 10081-10108

1шт.

13

6755-21-7210

Adapter

SN: 10081-10108

1шт.

14

11Y-09-11140

Clip

SN: 10081-UP

2шт.

15

01435-00816

Bolt

SN: 10081-UP

1шт.

16

04434-52110

Clip

SN: 10081-UP

1шт.

17

07095-20314

Cushion

SN: 10081-UP

1шт.

18

01435-00820

Bolt

SN: 10081-UP

1шт.

19

423-01-51320

Hose

SN: 10081-UP

1шт.

20

11Y-09-11140

Clip

SN: 10081-UP

2шт.

21

423-01-51330

Hose

SN: 10081-UP

1шт.

22

11Y-09-11140

Clip

SN: 10081-UP

2шт.

23

423-01-51340

Tube

SN: 10081-UP

1шт.

24

04434-51010

Clip

SN: 10081-UP

2шт.

25

01010-81020

Bolt

SN: 10081-UP

1шт.

26

01643-31032

Washer

SN: 10081-UP

1шт.

27

01010-81025

Bolt

SN: 10081-UP

1шт.

28

01643-31032

Washer

SN: 10081-UP

1шт.

Выбрано товаров: 28