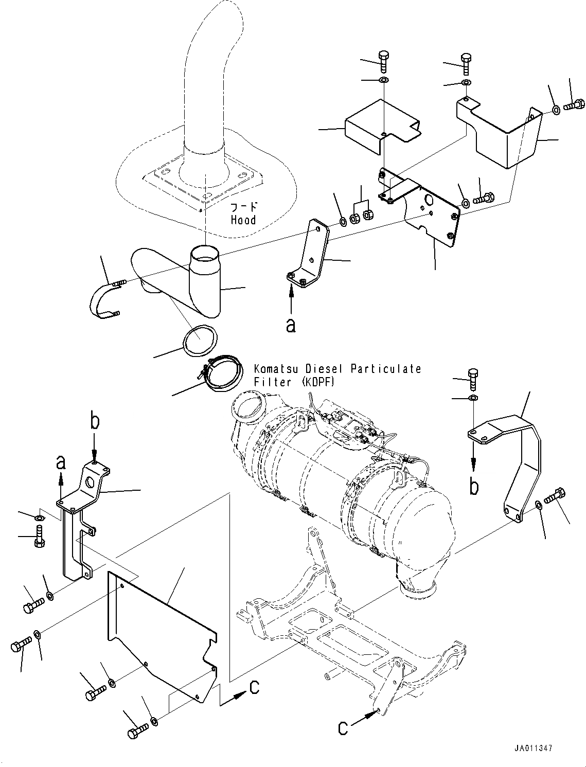
Запчасти Komatsu WA380-7 КОМПОНЕНТЫ ДВИГАТЕЛЯ, KOMATSU DIESEL ЧАСТЬICULATE ФИЛЬТР. (KDPF) КРЕПЛЕНИЕ (№9-8) КОМПОНЕНТЫ ДВИГАТЕЛЯ, С 9AMP. ГЕНЕРАТОР, KOMTRAX

Схема запчастей Komatsu WA380-7 - КОМПОНЕНТЫ ДВИГАТЕЛЯ, KOMATSU DIESEL ЧАСТЬICULATE ФИЛЬТР. (KDPF) КРЕПЛЕНИЕ (№9-8) КОМПОНЕНТЫ ДВИГАТЕЛЯ, С 9AMP. ГЕНЕРАТОР, KOMTRAX
27
26
25
24
23
22
21
16
15
4
12
3
2
7
14
13
20
19
21
22
22
21
22
21
20
19
18
17
11
10
8
9
5
6
1
FIT
1:1
100%

Артикул

Название

Примечание

Количество

1

423-02-51133

Bracket

SN: 10109-@

1шт.

2

01010-81025

Bolt

SN: 10001-@

2шт.

3

01643-31032

Washer

SN: 10001-@

2шт.

4

423-02-51181

Bracket

SN: 10109-@

1шт.

4

423-02-51180

Bracket

SN: 10109-10218

1шт.

5

01010-81035

Bolt

SN: 10109-@

2шт.

6

01643-31032

Washer

SN: 10109-@

2шт.

7

423-02-51170

Bracket

SN: 10109-@

1шт.

8

01010-81025

Bolt

SN: 10109-@

2шт.

9

01643-31032

Washer

SN: 10109-@

2шт.

10

01010-81035

Bolt

SN: 10109-@

2шт.

11

01643-31032

Washer

SN: 10109-@

2шт.

12

423-02-51160

Band

SN: 10034-10218

1шт.

13

01580-11008

Nut

SN: 10001-10218

4шт.

14

01643-31032

Washer

SN: 10001-10218

2шт.

15

423-02-51121

Tube

SN: 10001-@

1шт.

16

423-01-52211

Cover

SN: 10001-@

1шт.

17

01010-81020

Bolt

SN: 10066-@

1шт.

18

01643-31032

Washer

SN: 10066-@

1шт.

19

01010-81025

Bolt

SN: 10066-@

3шт.

20

01643-31032

Washer

SN: 10066-@

3шт.

21

01010-81020

Bolt

SN: 10001-10218

8шт.

22

01643-31032

Washer

SN: 10001-10218

8шт.

23

423-01-52331

Cover

SN: 10001-10218

1шт.

24

423-01-52311

Bracket

SN: 10001-10218

1шт.

25

423-01-52321

Cover

SN: 10001-10218

1шт.

26

6520-91-1030

Gasket

SN: 10001-@

1шт.

27

6520-91-1020

Clamp

SN: 10001-@

1шт.

Выбрано товаров: 28