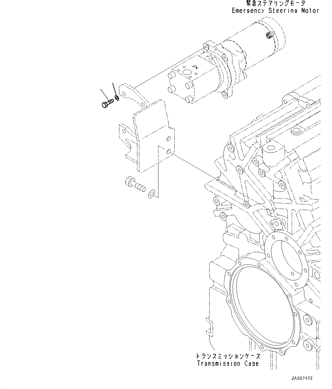
Запчасти Komatsu WA380-7 ГИДРОТРАНСФОРМАТОР И ТРАНСМИССИЯ, МОТОР КРЕПЛЕНИЕ (№-) ГИДРОТРАНСФОРМАТОР И ТРАНСМИССИЯ, С ЭКСТРЕНН. УПРАВЛ., АВТОМАТИЧ. УПРАВЛ-Е ТИП

Схема запчастей Komatsu WA380-7 - ГИДРОТРАНСФОРМАТОР И ТРАНСМИССИЯ, МОТОР КРЕПЛЕНИЕ (№-) ГИДРОТРАНСФОРМАТОР И ТРАНСМИССИЯ, С ЭКСТРЕНН. УПРАВЛ., АВТОМАТИЧ. УПРАВЛ-Е ТИП
1
2
FIT
1:1
100%

Артикул

Название

Примечание

Количество

1

01010-81035

Bolt

SN: 10001-UP

4шт.

2

01643-31032

Washer

SN: 10001-UP

4шт.

Выбрано товаров: 2