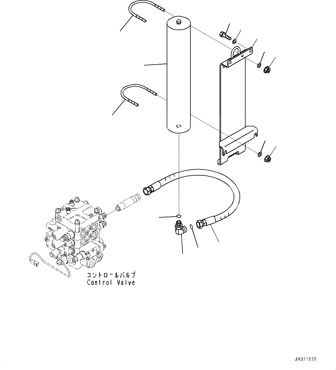
Запчасти Komatsu WA380-7 ГИДРОЛИНИЯ, АККУМУЛЯТОР (№-) ГИДРОЛИНИЯ, С 3-Х СЕКЦ. КОНТР. КЛАПАНОМ

Схема запчастей Komatsu WA380-7 - ГИДРОЛИНИЯ, АККУМУЛЯТОР (№-) ГИДРОЛИНИЯ, С 3-Х СЕКЦ. КОНТР. КЛАПАНОМ
1
2
3
4
5
6
7
8
9
11
2
10
3
4
FIT
1:1
100%

Артикул

Название

Примечание

Количество

1

423-S99-5140

Accumulator

SN: 10001-UP

1шт.

2

423-S99-5120

Clip

SN: 10001-UP

2шт.

3

01596-01009

Nut, Flanged

SN: 10001-UP

4шт.

4

01643-31032

Washer

SN: 10001-UP

4шт.

5

423-S99-5110

Bracket

SN: 10001-UP

1шт.

6

01010-D1225

Bolt

SN: 10001-UP

4шт.

7

01643-71232

Washer

SN: 10001-UP

4шт.

8

423-62-52330

Hose

SN: 10001-UP

1шт.

9

02782-10628

Elbow

SN: 10001-UP

1шт.

10

07002-62434

O-ring

SN: 10001-UP

1шт.

11

02896-61018

O-ring

SN: 10001-UP

1шт.

Выбрано товаров: 11